IMS B008 User Guide
and Reference Manual

_____________________________________________________________________

User Manual

INMOS Limited

January 1988
72-TRN-138-00

Contents

1 Introduction
2 Hardware Description
 2.1 Processor Pipeline
  2.1.1 Pipehead and Pipetail
  2.1.2 Physical Location
  2.1.3 Pipe Jumpers
 2.2 The IMS C004, the IMS T212 and ”Softwired” Links
  2.2.1 The IMS C004
  2.2.2 Control of the IMS C004
  2.2.3 The Module/Motherboard Software (MMS2)
 2.3 Multi-Transputer Systems
  2.3.1 TRAM Hierarchy
 2.4 Examples
  2.4.1 A Single Board for Developing Software
  2.4.2 A Single Board as a Target System
  2.4.3 Cascaded Boards
  2.4.4 Cascading more boards
 2.5 The IBM Bus Interface
  2.5.1 Polling
  2.5.2 Direct Memory Access (DMA)
  2.5.3 Example Programs
 2.6 Interrupts
  2.6.1 Why Interrupts?
  2.6.2 IMS B008 Interrupt Capability
  2.6.3 Examples
 2.7 The Patch Area
 2.8 Link Speed Selection
3 Configuration
 3.1 Default Switch and Jumper Settings
  3.1.1 Board Address
  3.1.2 Interrupt Setting
  3.1.3 DMA Channel Setting
  3.1.4 Link Speed Selection
  3.1.5 Jumper Positions
4 Unpacking and Handling
 4.1 Unpacking the IMS B008
 4.2 Handling Precautions
 4.3 TRAM Fitting and Handling
 4.4 Installing an IMS B008 (with a single TRAM fitted)
5 Testing
 5.1 Powering up
 5.2 Running the test software
A Switch Settings
 A.1 DMA Channel (Switches 1,2)
 A.2 Interrupt Channel (Switch 3)
 A.3 Board Address (Switches 5,6)
 A.4 Link Speed Selection (Switches 6..8)
B IMS B008 Registers
 B.1 Location in Memory
 B.2 Functional Description
  B.2.1 Reset Register
  B.2.2 Analyse Register
  B.2.3 Error Location
  B.2.4 DMA Request Register
  B.2.5 Interrupt Control Register
C Program Listings
 C.1 Listing I - Basic Data Transfer Routines
 C.2 Listing II - Occam Buffer Program
 C.3 Listing III - DMA Transfer Program
D HL1 Description of IMS B008 Link Connections
E Example Transputer Networks
 E.1 Square
 E.2 Cube
 E.3 Petersen Graph
F Patch Area Pin Out
G D-Connector Pin Out
H Circuit Diagram
I PAL Equations

Preface

The IMS B008 is a TRAM (TRAnsputer Module) motherboard that enables users to build multi-transputer systems that can be plugged into an IBM PC-XT or PC-AT.

The board is a member of a family of TRAM motherboards which have a compatible architecture. External signals are available which enable it to control a subsystem of motherboards, or to be a component of such a subsystem.

For a general description of TRAMs and motherboards, refer to the specification Dual-In-Line Transputer Modules (TRAMs), published as INMOS Technical Note 29, and the Module Motherboard Architecture manual. For information on the transputer itself, refer to the Transputer Reference Manual.

The IMS B008 is designed to be compatible with the Transputer Development System (TDS) and the Module Motherboard Software (MMS2). These can run either on a suitable TRAM plugged into the IMS B008, or on another piece of hardware connected to the IMS B008 via an INMOS link. Reference should be made to the TDS User Manuals and the MMS2 User Manual for details of how to compile and load programs onto networks of TRAMs plugged into motherboards.

NOTE: Details of how to unpack and install the IMS B008 are given in chapter 4. This chapter should be read carefully before any power is applied to the board.

Disclaimer

Every effort has been made to test the correct operation of this product.

INMOS reserves the right to make changes in specifications at any time and without notice. The information furnished by INMOS in this publication is believed to be accurate, but no responsibility is assumed for its use, nor any infringements of patents or other rights of third parties resulting from its use. No licence is granted under any patents, trademarks or other rights of the INMOS group of companies.

1 Introduction

The IMS B008 is a TRAM motherboard which plugs into the IBM PC-XT or PC-AT. It has slots for up to ten TRAMs (TRAMs are board-level transputers that integrate processor, memory and peripheral functions, and which communicate with the outside world by means of INMOS serial links, arranged in a standard DIL pin-out). Links 1 and 2 from each of the TRAM slots are hard wired on the IMS B008, such that the TRAMs, when plugged in, form a pipeline of processing elements. The remaining links can be ”softwired” using an INMOS IMS C004 programmable link switch, incorporated on the IMS B008. This arrangement allows a large variety of networks to be created under software control. A full block diagram of the IMS B008 is shown in Fig. 1.

The IMS C004 device is controlled by an IMS T212 16-bit transputer. Configuration data for the IMS C004 is fed into link 1 of the IMS T212, which then passes it on to the, IMS C004 on link 3. The same data is also passed out of the IMS T212 link 2 to the 37-way D-connector on the edge of the board. In this way, IMS B008 boards can be cascaded with the IMS T212’s forming a chain. Configuration data passes down this chain, with each IMS T212 sending the appropriate data to the IMS C004 to which it is connected.

An interface to the IBM bus is provided so that a program running on the IBM PC can control the TRAMs on the IMS B008 and pass data to or from them. Data communication can take place by means of a software routine which uses polling, or via a DMA mechanism which gives a higher data rate. Different events on the IMS B008, selectable by the programmer, can generate an interrupt on the IBM PC. This eliminates the need for the processor in the PC to continuously poll status registers on the IMS B008, so that the PC can carry on with other tasks while programs are running on the IMS B008.

IMS B008 Functional Block Diagram IMS B008 Functional Block
Diagram

Figure 1: IMS B008 Functional Block Diagram

2 Hardware Description

2.1 Processor Pipeline

The IMS B008 TRAM motherboard has 10 TRAM slots, sufficient to accommodate a maximum of 10 TRAMs. The IMS B008 is hard wired such that TRAM(N), link 2 is connected to TRAM(N+1), link 1, producing a 10 TRAM pipeline configuration. However, TRAM3, link 2 and TRAM4, link 1 are taken to the patch area so that this pipeline can be broken if the user application so demands.

2.1.1 Pipehead and Pipetail

The link entering the first TRAM of the pipeline (TRAM0, link 1) is termed Pipehead, and the link leaving the last TRAM (TRAM9, link 2) is called Pipetail. Pipehead is connected to the patch area so that the source of data entering the pipeline may be selected from the IBM PC (via the IMS C012) or another transputer board (via the 37-way D-connector). Pipetail is taken to the 37-Way D-connector so that it may also be connected to another transputer board. In this way a pipeline of many motherboards, each containing many transputers can very easily be constructed. More sophisticated processing structures can also be built by using the remaining links of the TRAMs (links 0 and 3). See section 2.2.

2.1.2 Physical Location

The physical location of the TRAM slots on the IMS B008 is as shown in Fig. 2. The alternate orientation of adjacent TRAM slots is to improve the cooling effect of the air flow over the TRAMs. It also means that, if at any stage in the future a need is identified for Single-In-Line TRAMs, they would be compatible with the existing motherboards.

IMS B008 TRAM Slot Location IMS B008 TRAM Slot Location

Figure 2: IMS B008 TRAM Slot Location
2.1.3 Pipe Jumpers

Some TRAMs physically cover more than one slot on the IMS B008, although they only connect to the signals of one position. In most cases it is possible to stack other TRAMs on top so that the covered slots are not wasted. However, if stacking is not required, the pipeline will be broken at the slots that are underneath the larger TRAMs. Special 8-pin plugs, called pipe jumpers, are provided to combat this problem. These plug into the unused slot and connect the signals for links 1 and 2 together, thus continuing the pipeline through to the next TRAM in the chain. A pipe jumper is required at one end of each empty slot only, with its marker band lining up with the triangle on the motherboard.

2.2 The IMS C004, the IMS T212 and ”Softwired” Links

Links 1 and 2 of each TRAM slot are used in the formation of the processor pipeline. This leaves links 0 and 3 of each TRAM for connection to other processors so that more topologically complex systems can be constructed. The method of control of these connections is explained in the following sections.

2.2.1 The IMS C004

The IMS B008 has been designed such that TRAM0, link 3 and TRAMs(1..9), links 0 and 3 are taken directly to the IMS C004, a 32-way link switch. (In fact, TRAM0, link 0 can also be connected to the IMS C004, but only via the patch area. This is to enable TRAM0, link 0 to be connected to the IBM bus, via the IMS C012 device, if so required. Full details of the patch area are given in section 2.7 and appendix F.)

The IMS C004 has 32 link inputs, 32 link outputs and a configuration link. Any of the 32 links may be connected to any other by sending the appropriate control data to the IMS C004 along its configuration link. Thus, link 0 or 3 of any TRAM on the board maybe connected to any other. In addition, since 8 links are taken from the IMS C004 to the 37-way D-connector (in addition to Pipetail), it is possible to interconnect links from a great many boards in a very complex manner.

2.2.2 Control of the IMS C004

The configuration link of the IMS C004 is connected to an IMS T212 16-bit transputer. Links 1 and 2 of the IMS T212 are taken to the D-connector so that they can be ”pipelined” in the same manner as the TRAMs. Configuration data is passed in on link 1, and then passed out again on link 2 to the next IMS T212 (and the next board) in the chain. Any configuration data appropriate to the board is sent to the IMS C004 on link 3. This mechanism is illustrated in Fig. 3.

IMS T212 Configuration Pipeline IMS T212 Configuration Pipeline

Figure 3: IMS T212 Configuration Pipeline

On the first board in the chain, ConfigUp is connected to Pipehead so that the configuration data is passed into the IMS T212 chain from the IBM PC via the TRAM in slot 0. This architecture is maintained on all INMOS motherboards so that a pipeline can be constructed from a variety of different boards.

2.2.3 The Module/Motherboard Software (MMS2)

The MMS2 is a piece of software, written by INMOS, that simplifies the task of configuring a system of motherboards. Each motherboard is defined using a hardware description language called HL1 (the IMS B008 HL1 description is given in appendix D). The required IMS C004 ”softwired” connections are then defined in a similar manner by the user. The MMS2 interprets these commands, and sends the appropriate configuration data down the IMS T212 chain. Further details of its operation can be found in the MMS2 User Manual.

A number of example transputer networks, together with their associated ”softwire” descriptions, are contained in appendix E.

At present the MMS2 is supplied as part of the IMS B008 product. At a later date it is intended that the MMS2 will be included within the Transputer Development System (TDS).

2.3 Multi-Transputer Systems

Clearly very large, and very powerful, systems can be built. Therefore, it becomes necessary to establish the control hierarchy of the system. For example, when using the TDS to develop and debug some software, one might run the TDS on a TRAM in slot 0, and run the application on a network of TRAMs under the control of the TRAM in slot 0. Obviously, one does not wish to reset TRAM0 every time the application network is reset.

The hierarchical structure of a system is defined by the source of the notReset and notAnalyse control signals. JP1 determines the control of TRAM0, while JP2 determines the control of TRAMs(1..9).

2.3.1 TRAM Hierarchy

The TRAM in slot 0 may be reset (and analysed) by either the IBM PC, or by another board via the 37-way D-connector. This choice is made by selecting the position of JP1. Three jumpers are provided, one for each of the notReset, notAnalyse and notError signals. Setting JP1 to ”PC” (see Fig. 4b) gives the PC the ability to reset and analyse TRAM0. In addition, the PC will also be able to read the error flag of TRAM0. Alternatively, all these functions can be controlled via the 37-way ’D’ connector by setting JP1 to ”EDGE” (Fig. 7b).

Similarly, the TRAMs in slots 1-9 maybe controlled by the subsystem port of TRAM0, or they may be put on the same hierarchical level as TRAM0, in which case their control depends upon the position of JP1. Setting JP2 to ”SUBSYS” (Fig. 4c) puts the reset, analyse and error functions of TRAMs(1..9) under control of TRAM0. Setting JP2 to ”DOWN” (Fig. 5c) puts TRAMs(1..9) at the same level as TRAM0.

It is defined in Dual-In-Line Transputer Modules (TRAMs), Technical Note 29 that any TRAM that has a subsystem port must reset that port if it is itself reset. Thus, a reset signal will always propagate to all TRAMs at a lower hierarchical level.

2.4 Examples

In order to aid the understanding of the way in which a hierarchy is established, the selection of TRAM hierarchy on a single board will first be explained. Three examples of board hierarchy are then described in the sections which follow.

2.4.1 A Single Board for Developing Software

A block diagram of an IMS B008 configured in this way is shown in Fig. 4a. This is the configuration in which the board is supplied and is explained in the following paragraphs.

Single Development Board Configuration Single Development Board
Configuration

Figure 4: Single Development Board Configuration

It is assumed that the Transputer Development System (TDS) is being used for software development. The TDS should be run on a TRAM plugged into TRAM slot 0 of the IMS B008. Consequently, the reset, analyse and error functions of this TRAM must be under control of a program running on the IBM PC. Jumper plug 1 should therefore be connected to ”PC”, as shown in Fig. 4b.

TRAMs(1..9), as well as the IMS T212, must be connected as a subsystem of TRAM0. This means that TRAM0 can reset and analyse all the other transputers in the system as well as read their error status. To facilitate this, jumper plug 2 should be connected to ”SUBSYS”, as shown in Fig. 4c.

The ConfigUp link of the IMS T212 (link 1) must be connected directly to link 1 of TRAM0. (This link is known as Pipehead). This enables the TRAM running the TDS and MMS2 to feed configuration data directly to the IMS T212, which passes it on to the IMS C004. This connection is made via the patch area as shown in Fig. 4d. (A full description of the patch area is given in appendix F).

The IMS C012 link is connected to link 0 of TRAM0 so that TRAM0 always boots down this link. This connection is also shown in Fig. 4d.

The other essential patch area connection is that of TRAM3, link 2 to TRAM4, link 1. This is part of the pipeline, which is routed through the patch area.

2.4.2 A Single Board as a Target System

In this application, a bootable code file is sent directly to the transputer network from the IBM PC. All the TRAMs are on the same level of hierarchy, all under control of the PC. A block diagram of this scheme is shown in Fig. 5a.

Single Board Target Configuration Single Board Target Configuration

Figure 5: Single Board Target Configuration

Jumper plug 1 should be set to ”PC”, as shown in Fig. 5b. This allows control of TRAM0 from the IBM bus.

Jumper plug 2 should be connected to ”DOWN”, as shown in Fig. 5c. This ensures the signals controlling TRAM0 propagate directly to TRAMs(1..9), as well as the IMS T212. Thus the program running on the IBM PC can reset and analyse all the TRAMs at once. Similarly, the content of the error location (as read by the PC) is the logical OR of the error signals coming from all the transputers in the network.

The ConfigUp link of the IMS T212 should be connected to TRAM0, link 1 (Pipehead). The IBM PC then has to pass the IMS C004 configuration data to the IMS T212 via TRAM0. The connection is made on the patch area as shown in Fig. 5d.

2.4.3 Cascaded Boards

A simple example of cascading will be described here: two boards connected together, with the TDS running on TRAM0 of one board. The block diagram is shown in Fig. 6.

Two Cascaded Boards Two Cascaded Boards

Figure 6: Two Cascaded Boards

Board 1 should be set up exactly as described in section 2.4.1. It is then necessary to connect board 1, SUBSYSTEM port to the board 2, UP port. This enables TRAM0 on board 1 to control all the transputers on board 2.

The pipeline between the two boards must also be set up. Thus, board 1, Pipetail must be connected to board 2, PatchLink1 and the patch area on board 2 must be altered such that PatchLink1 is connected to Pipehead.

ConfigDownLink from the IMS T212 on board 1 must be connected to ConfigUpLink of the IMS T212 on board 2. This means that the patch area on board 2 must be changed so that the ConfigUpLink on its IMS T212 is brought to the 37-way D-connector via PatchLink0. Therefore board 1, ConfigDownLink should be connected to board 2, PatchLink0. Fig. 7d shows the patch connections required.

The pinout of the 37-way D-connector is given in appendix G. The signals that need connecting together are shown in Table 1.






Board 1 Pin No. Board 2 Pin No.





notSubSystemReset (33)notUpReset (20)
notSubSystemAnalyse (15)notUpAnalyse (2)
notSubSystemError (34)notUpError (21)
PipetailLinkOut (16)PatchLinkln1 (14)
PipetailLinkln (35)PatchLinkOut1 (32)
ConfigDownLinkOut (17)PatchLinkln0 (13)
ConfigDownLinkln (36)PatchLinkOut0 (31)






Table 1:

Cascaded Boards:Board 2 Switch and Jumper Settings Cascaded
Boards:Board 2 Switch and Jumper Settings

Figure 7: Cascaded Boards:Board 2 Switch and Jumper Settings

Board 2 should be invisible to the IBM bus. Its link adapter and system registers should therefore be disabled. This is done by setting switches 4 and 5 to ”ON”, as shown in Fig. 7a.

TRAM0 on board 2 should be controlled by the signals coming in on the UP port. Hence jumper plug 1 should be set to ”UP”, as shown in Fig. 7b.

In this example, the IMS T212 and TRAMs(1..9) on board 2 are on the same level of hierarchy as TRAM0. Therefore jumper plug 2 should be set to ”DOWN”, as shown in Fig. 7c.

2.4.4 Cascading more boards

More boards may, of course, be cascaded. Other INMOS boards (e.g. IMS B004, IMS B012) can be present in the cascade. Many boards on the same level of hierarchy can be controlled by TRAM0 on one board. The boards on the same level should be linked by connecting the DOWN port of one to the UP port of the next. See Fig. 8. Multiple levels of hierarchy can be created by extending the principles outlined earlier in this chapter. See Fig. 9.

Two level board cascade Two level board cascade

Figure 8: Two level board cascade

Multiple levels of hierarchy Multiple levels of hierarchy

Figure 9: Multiple levels of hierarchy

2.5 The IBM Bus Interface

2.5.1 Polling

This is the simplest method of data transfer between the IBM PC and the IMS B008. Earlier INMOS boards, the IMS B004 for example, have this as the only data transfer mechanism. The interface on the IMS B008 is completely compatible with these.

For details of how to use this interface, the operation of the IMS C012 link adapter must be understood. The details of this device are included in the Transputer Reference Manual. Example procedures for accessing the IMS B008, written in Turbo Pascal’, are given in appendix C, listing I. The source code is also included on the ”Test/Examples” disc with the filename ladp.pas.

Before any data can be sent to the IMS B008, the board must first be reset by software. This can be done by using the procedure called doReset in appendix C, listing I.

For a summary of the IMS B008 registers and where they appear in the I/0 address space, see appendix B.

2.5.2 Direct Memory Access (DMA)

For higher data rates, a DMA interface has been incorporated into the IMS B008. In order to use this mechanism, it is useful to understand the operation of the 8237 DMA controller chip present in the IBM PC. Details can be found in an 8237 data sheet.

Once the DMA controller has been initialised, the DMA interface may be used in several different ways. In the example software (appendix C) a process is started on TRAM0 to input and output data down its link 0, which is connected to the PC bus via the IMS C012. The transfer is then triggered off by the program running on the PC, which must write to the DMA control register on the IMS B008. The value ”0” is written to transfer from the PC to the IMS B008; a ”1” is written to transfer in the other direction.

The transfer proceeds with the IMS B008 making a DMA request for a single byte at a time. In this way, a byte is transferred in between the execution of each instruction of the processor on the PC. Therefore this processor appears to be running code at the same time as the DMA transfer is taking place. It is mainly for this reason that it is difficult to specify the improvement in data throughput. One example will be given: for an 8 MHz iAPX 286 CPU and a 5 MHz DMA controller, a DMA transfer has approximately twice the data rate of an optimised assembly code routine which uses polling. This figure was derived with the processor doing nothing other than waiting for the end of the DMA transfer.

The end of the DMA transfer is signalled in one of two ways. The DMA controller can be polled by reading its status register. This gives information about which DMA channels have a transfer pending and which have completed a transfer. See an 8237 datasheet for further information. Alternatively an interrupt can be set up to signal the end of a DMA transfer. See section 2.6.

2.5.3 Example Programs

A buffer process, written in occam, runs on the transputer on TRAM0. Its source code is given in appendix C, listing II. This process inputs data down link 0 and stores it in memory as a queue. When another device (in this case the IMS C012 on the IMS B008) becomes ready to read this data, TRAM0 sends it back down link 0. Thus, when the DMA controller transfers data to the IMS B008, the queue fills up. It is then emptied by a DMA transfer from the IMS B008 to the PC.

A program on the IBM PC is also required to load up TRAM0 with the buffer program, set up the DMA controller and initiate the transfer.

The outline of this program is as follows:

Set up constants
Initialise interrupt vectors and controller chip
Reset TRAM0 on IMS B008
Initialise IMS C012 on IMS B008
Boot up TRAM0 with buffer program
REPEAT TWICE:
Enable interrupts from IMS B008
Set up DMA controller for transfer to IMS B008
Trigger DMA transfer to IMS B008
Wait for interrupt to signal transfer complete
Set up DMA controller for transfer to IBM PC
Trigger DMA transfer to IBM PC
Poll DMA controller status to determine end of transfer
Compare received data with original transmitted data

The code is written in Turbo Pascal and shown in appendix C, listing Ill. The setupDMAC procedure initialises the various registers of the 8237 for the required mode of operation. No attempt will be made here to describe these modes. It is simply advised that this procedure is copied for user applications. Detailed information can be found in an 8237 data sheet.

Once the 8237 has been set up, a DMA transfer is triggered by writing to a single register on the IMS B008. Writing a ”0” to the DMA request register initiates a DMA write transfer to the IMS B008. The Turbo Pascal code for this is:

  PORT [DMArequest] := 0;

Writing a ”1” to this register starts a transfer in the other direction.

The DMA request register is located at boardbase + $12, where boardbase is the base address of the board as selected by SW4 and SW5 (see appendix A).

As described previously, two techniques can be used to determine the end of a DMA transfer. An interrupt can be set up to occur when a transfer terminates - in the example program, this method is used to signal the end of the transfer to the IMS B008. With this method, it is essential that bit 0 of the interrupt enable register on the IMS B008 is reset to ’0” from within the interrupt service routine. This clears the interrupt line as well as disabling DMA interrupts. This bit must then be set back to ”1” outside the service routine to re-enable DMA interrupts. A suitable place to do this is immediately before a DMA transfer is triggered off - see the DMAwrite procedure in listing III, appendix C. An interrupt is asserted again when another DMA transfer completes.

The second method of detecting the end of a DMA transfer is to poll the status register of the DMA controller. See an 8237 data sheet for details. For this technique to be successful, a master reset command must be sent to the 8237 after each transfer. This is done in the setupDMAC procedure shown in listing III, appendix C.

In order to run the programs, insert the examples disc and type

  a: <Enter>.

Then type

  DMA <Enter>

Messages should appear indicating the progress of the transfer, which is repeated twice. If the transfer is unsuccessful, check the switch and jumper settings.

Source code is also included on the ”Test/Examples” disc so that these procedures can be incorporated into user programs. The occam source for the buffer is called buffer. tar and should be manipulated with the INMOS folding editor. It has been compiled and made into a bootable code file (see TDS documentation) called buffer.bcf, which is loaded into the transputer on TRAM0 by the Turbo Pascal program.

Any popular editor (e.g. Wordstar) can be used on the pascal source for the DMA controller program.

The software has been written to use DMA channel 0. If it is desired to use a different channel, enter the channel number when the program is run. The switch settings must also be changed to select the channel of your choice. See appendix A for details.

2.6 Interrupts

2.6.1 Why Interrupts?

It is sometimes undesirable to tie up CPU time on the IBM PC by continuously polling the IMS B008 status registers. Clearly it may be useful to put the host processor to work while the transputer array on the IMS B008 is running code. For example, the CPU on the PC could be updating the graphics screen while the transputer array performs a awesome number-crunching computation. The array could then signal the end of the computation with a link transfer, which can be made to interrupt the host CPU from its mundane task and tell it that the answer to the question is now available.

2.6.2 IMS B008 Interrupt Capability

The IMS B008 can interrupt the IBM PC on any of four events:

  1. A DMA transfer has completed;
  2. An error has occurred on the IMS B008;
  3. The IMS B008 is ready to receive a byte of data via the IMS C012;
  4. The IMS B008 is ready to send a byte of data via the IMS C012.

The interrupt control register, located at boardbase + $13, is used to determine which of these events cause an interrupt. Four bits in this write-only register are used, one for each event (see Table 2).



Bit 0Enable interrupt on DMA end
Bit 1Enable interrupt on error
Bit 2Enable interrupt when IMS B008 is ready to receive byte
(OutputInt on IMS C012 is active)
Bit 3Enable interrupt when IMS B008 is ready to send byte
(Inputlnt on IMS C012 is active)



Table 2: Interrupt Control Register Function

All other bits at this location are unused. In all cases, setting a bit to ”1” enables interrupts on the corresponding event. Clearing a bit disables interrupts on that event. Note that any number of these events can be programmed to cause an interrupt, but that the interrupt will occur on the same channel regardless of the event. It is a simple matter for the interrupt service routine to read a few status registers to determine the cause of the interrupt. The error flag, OutputInt and InputInt are all status bits present in IMS B008 registers (see appendix B). Interrupt on end of DMA can be detected by reading the status register of the 8237 DMA controller.

Note that when the IMS B008 powers up, all these control bits are at ”0”. In this situation, the selected IMS B008 interrupt line is tri-stated. As soon as any of the control bits are set to ”1”, the selected line is driven to logic ”0”. It is driven to logic ”1” when the chosen event occurs. It is therefore important that this register is not written to if other peripherals in your PC use interrupt lines 3 and 5. The IMS B008 may be damaged if this instruction is not followed.

Switch 3 should be ”ON” to select IRQ3, ”OFF” to select IRQ5.

2.6.3 Examples

Section 2.5.3 illustrates how to use interrupts to signal the end of the DMA transfer. It is vitally important that the interrupt service routine clears bit 0 of the interrupt control register to disable the interrupt signal. If this bit is then set back to ”1” outside the service routine, interrupt on DMA is re-enabled but not reasserted until another DMA transfer completes.

Interrupts can also be used to signal when the IMS B008 has data to transfer to the IBM PC (InputInt from IMS C012 is asserted), or when it is ready to receive data (OutputInt asserted). In both cases the interrupt line will remain asserted until the data has been read from or written to the IMS B008, or until interrupts are disabled altogether.

2.7 The Patch Area

The patch area consists of a 24-pin DIL header block that can be wired according to the users requirements. An INMOS link is a two wire connection, implying that 12 links are taken to the patch area. These are:

C012Link, TRAM0Link0
These two links should be connected together when it is intended that the IMS B008 is to transfer data between itself and the IBM bus. In order to maintain compatibility with INMOS software, it is highly recommended that C01121-ink is only ever connected to TRAM0Link0, and never to Pipehead, which is in effect TRAM0Link1.
Pipehead
This is TRAM0Link1, the beginning of the pipeline of processors.
ConfigUp
This is IMS T212 link1. It is the link upon which the IMS C004 configuration data is received. It may be connected via the patch area to either one of the 37-way D-connector links, or to Pipehead if the configuration data is to come from the IBM bus via TRAM0.
PatchLink0, PatchLink1
These two links are connected to the 37-way D-connector. Generally, if they are used they are connected to ConfigUp and Pipehead respectively, although they may be connected to any of the other links available.
C004Link0, C004Link28, C004Link29
These three links are connected to the IMS C004 link switch. They can be used, for example, to provide extra IMS C004 links to the D-connector, or to connect TRAM0Link0 to the IMS C004 on a board which does not ”talk” directly to the IBM.
T2Link0
This is the spare link of the T212. Its speed may be set independently of the other links on the board (see section 2.8).
TRAM3Link2, TRAM4Link1
These two links enable the 10 slot pipeline to be broken between TRAMs 3 and 4 if so required (see section 2.1).

A pin out of the patch area header block can be found in appendix F.

2.8 Link Speed Selection

The link speed of all the TRAMs on a board is switchable between 10 Mbits/s and 20 Mbits/s by means of the switch labelled Boardspeed. However, link 0 of the IMS T212 can run at a different speed to the TRAMs; either 5 Mbits/s, 10 Mbits/s or 20 Mbits/s. This could be useful for communicating with an external system whose links run at a different speed to that of the TRAMs. Appendix A shows the combinations possible.

3 Configuration

3.1 Default Switch and Jumper Settings

The switches and jumpers on the IMS B008 enable a large variety of operating modes. The default settings are shown in Fig. 10 and are described in the following sections.

Default Switch Settings Default Switch Settings

Figure 10: Default Switch Settings
3.1.1 Board Address

As supplied, the board is set up to use locations $150 to $16F (a ”$” sign indicates a hexadecimal number) in the I/0 address space of the PC. If this clashes with other cards present in your PC, then the appropriate switch settings will have to be changed. Refer to appendix A for details. If the address is changed, the new address will have to be specified when the TDS is invoked from MS-DOS. The required format is:

  TDS2 -l <address>

where <address> is the base address of the board. If the parameters are omitted then the base address defaults to $150. (N.B. Throughout this manual the symbol ”$” is used to indicate a hexadecimal number. However, MS-DOS does not recognise this notation and a ”#” symbol must be used for this purpose in the <address> term above.)

3.1.2 Interrupt Setting

The board as supplied is set to use interrupt channel 3. If required, channel 5 can be selected by switching Switch 3 to ”OFF”. This should not be done if the board is being used in a PC-XT because channel 5 is used by the hard disc. It is important to ensure that the interrupt line used by the IMS B008 is not used by any other device present in the PC.

In order to enable the IMS B008 to assert an interrupt, its interrupt control register must be accessed. See section 2.6.2 for details.

3.1.3 DMA Channel Setting

DMA channel 0 is selected by default. This will not operate on the PC-XT because channel 0 is not available on the XT bus. However, this default setting will not affect the normal operation of the PC-XT. Only channel 1 can be used by the IMS B008 on a PC-XT, but only if SDLC (or another networking system which uses this channel) is not present.

Channels 0 and 3 are normally free on the PC-AT. As with the PC-XT, channel 1 is reserved by IBM for SDLC, but again it may be used if this (or another network) is not fitted.

See appendix A for details of the switch settings required to select the appropriate DMA channel. Alternatively, DMA may be disabled altogether.

3.1.4 Link Speed Selection

All links are set to run at 20 Mbits/s. See appendix A for information on changing the link speed settings.

3.1.5 Jumper Positions

It is assumed that, at this stage, the TDS is being run on a TRAM plugged into slot 0. In this case, the jumper blocks and patch area should not be disturbed. For details of other possible board configurations, see section 2.3.1.

4 Unpacking and Handling

4.1 Unpacking the IMS B008

When you open the packing box in which the IMS B008 is shipped, you will find:

  1. A packing list which you should check against the box contents immediately.
  2. A documentation pack, including this manual.
  3. A floppy disk entitled ”IMS B008 Examples/Test’, which contains some example routines and some test software.
  4. An anti-static bag containing the IMS B008 board.
  5. A link breakout board.
  6. An IMS B008 cable set.

Do not open the bag containing the IMS B008 until you have read the section on handling.

4.2 Handling Precautions

To prevent damage from static discharge, certain precautions should be taken when removing the board from its protective bag:

  1. While holding the board in one hand, still in its bag, touch a metal part of your PC with the other hand.
  2. Carefully remove the board from the bag, holding the board by the edges only. Avoid touching any components or connections.
  3. While manipulating switches and jumpers on the board and when inserting it into the PC, hold the board by its edges only.
  4. If the board is being stored or shipped, standard anti-static handling precautions should be observed.

N.B. Under no circumstances plug or unplug a TRAM with power applied to the IMS B008. Permanent damage to both the TRAM and the motherboard could occur.

4.3 TRAM Fitting and Handling

TRAMs must be carefully installed and removed from the IMS B008, taking special care not to bend any of the TRAM’s pins. The slots on the IMS B008 have pin 1 marked on the board by a silk-screened legend (a triangle). Pin 1 on the TRAM to be installed will also be marked in a similar manner.

N.B. Plugging in a TRAM the wrong way round may result in the destruction of the TRAM or the motherboard.

The IMS B008 has some components mounted on the top (as opposed to the underside) of the board in the positions occupied by some TRAM slots (slots 8 and 9). When plugging a TRAM into these positions, it will be necessary to fit ”stand-off” strips to the TRAM pins. These are 8-way pin strips which plug into the IMS B008, and raise the TRAM above the motherboard. These ”stand-off” strips are supplied fitted to INMOS TRAMs.

4.4 Installing an IMS B008 (with a single TRAM fitted)

The following procedure should be followed:

  1. Remove the TRAM that is to run the TDS from its protective packaging, observing the appropriate handling precautions.
  2. Plug this TRAM into slot 0 of the IMS B008. Ensure that the pin 1 indicator on this TRAM lines up with the triangle on TRAM slot 0 of the IMS B008. Note that the 16 pins on the TRAM that carry the signals should plug into the required slot. Thus, for example, a size 4 TRAM to plug into slot 0 will occupy slots 0, 4, 7 and 3 (see Fig. 11a); a size 2 TRAM to plug into slot 1 will occupy slots 1 and 5 (see Fig. 11b).
  3. Insert link jumper plugs on top of this TRAM in all the slots that do not carry any signals. This is to ensure continuity of the pipeline. A jumper is required at one end of each empty slot only, with its marker band lining up with the triangle on the motherboard. This is also illustrated by Fig. 11. If TRAMs are to be stacked on top of each other, the link jumpers have to be removed from the slots which are to be used for stacking.
  4. Fill the other slots on the IMS B008 with TRAMs as required. They need not be filled in numerical order so long as the pipe is maintained using pipe jumpers.
  5. Fit link jumper plugs (supplied) into the slots on the motherboard that are not being used. This stops the pipeline from being broken. This is illustrated in Fig. 11c, in which the empty slots (8 and 9) have been ”jumped out” to complete the pipeline.
  6. Remove the cover of the IBM PC.
  7. Choose the expansion slot into which the IMS B008 is to be inserted. Do not use the slot nearest the edge in a PC-AT, because it does not provide the full set of signals from the AT bus. If the board is being used in a PC-XT, then the smaller set of edge connectors will hang in mid-air. Don’t panic! This does no harm.
  8. Remove the expansion slot cover from the chosen slot. Retain the fixing screw.
  9. Carefully, holding the board by its edges, insert it into the chosen expansion slot.
  10. Secure the bracket on the IMS B008 to the chassis of the PC using the fixing screw.
  11. Replace the cover on the PC.

TRAM Installation TRAM Installation

Figure 11: TRAM Installation

5 Testing

5.1 Powering up

Switch the PC on. If it fails to boot up, then either the selected IMS B008 address or DMA channel clashes with another device present. Check the settings described in appendix A.

5.2 Running the test software

Insert the ”Examples/Test’ disc into drive a: and select this drive by typing

  a: <Enter>

The test program can now be run by typing

  test <Enter>

A prompt will appear asking whether the default switch settings have been changed. If not, press <Enter>. Otherwise type

  yes <Enter>

and enter the board setup according to the prompts received.

A diagram will then appear on the screen indicating how the switch settings should look. Press

  <Enter>

to continue.

The program then tests various parts of the board in sequence. It is not exhaustive, but it will check whether the board has been set up and installed correctly. If the program reports that it cannot find TRAM0, check the orientation of TRAM0 and the address switch settings. Any other error messages should bear an obvious relation to the relevant switch settings.

If all is well, it is time to use the test software which explores the IMS B008 and finds all the TRAMs present. The TDS must therefore be installed - refer to the TDS literature for instructions. Full details of using the TDS and the MMS2 are given in the appropriate manuals. This is the correct time to examine those manuals and try some programming examples. Return to this manual when more advanced features specific to the IMS B008 are to be used, e.g. cascading boards and using the DMA interface.

A Switch Settings

A.1 DMA Channel (Switches 1,2)

This is selected according to Table 3.




SW1SW2DMA Channel



ON ON 0
OFF ON 1
ON OFF DMA disabled
OFFOFF 3




Table 3: DMA Channel Selection

A.2 Interrupt Channel (Switch 3)

This is selected according to Table 4.



SW3Interrupt Channel


ON 3
OFF 5



Table 4: Interrupt Channel Selection

A.3 Board Address (Switches 5,6)

Two switches are used to select the base location in the I/0 address space at which the IMS B008 appears, or to disable the board from the IBM bus altogether. The following table shows the options available.




SW4SW5Address (hexadecimal)



ON ON Not selected
OFF ON $150
ON OFF $200
OFFOFF $300




Table 5: Base Address Selection

A.4 Link Speed Selection (Switches 6..8)

All the TRAMs and the IMS C004 must have identical link speeds. The IMS T212 can, however, have its link 0 running at different speeds. Table 6 shows the combinations possible.






SW6SW7SW8T212 Link 0All Other Links





ON ON ON 10 Mbits/s 10 Mbits/s
ON ON OFF 5 Mbits/s 10 Mbits/s
ON OFF ON 10 Mbits/s 10 Mbits/s
ON OFFOFF 20 Mbits/s 10 Mbits/s
OFF ON ON
NON-FUNCTIONAL
OFF ON OFF
NON-FUNCTIONAL
OFFOFF ON 10 Mbits/s 20 Mbits/s
OFFOFFOFF 20 Mbits/s 20 Mbits/s






Table 6: Link Speed Selection

B IMS B008 Registers

This appendix contains a summary of the registers of the IMS B008 and the locations in the I/O address space at which they appear. In Table 7, boardbase is as selected by SW4 and SW5 - see appendix A.

B.1 Location in Memory



Board addressRegister


boardbase + $00Input data register
boardbase + $01Output data register
boardbase + $02Input status register
boardbase + $03Output status register
boardbase + $10Reset register (write only)
boardbase + $11Analyse register (write only)
boardbase + $10Error location (read only)
boardbase + $12DMA request register
boardbase + $13Interrupt control register



Table 7: IMS B008 Register Memory Location

B.2 Functional Description

A description of the IMS C012 registers (the first four IMS B008 address locations) can be found in the Transputer Reference Manual. The other registers, which are specific to the IMS B008, are described below.

B.2.1 Reset Register

Setting bit 0 to ”1” asserts the Reset signal;
Resetting bit 0 to ”0” deasserts the Reset signal.

B.2.2 Analyse Register

Setting bit 0 to ”1” asserts the Analyse signal;
Resetting bit 0 to ”0” deasserts to Analyse signal.

B.2.3 Error Location

Reading a ”1” in bit 0 indicates that Error is asserted;
Reading a ”0” in bit 0 indicates that Error is not asserted.

B.2.4 DMA Request Register

Writing ”0” into bit 0 triggers a DMA transfer from the PC to the IMS B008;
Writing ”1” into bit 0 triggers a DMA transfer to the PC from the IMS B008.

B.2.5 Interrupt Control Register

Four bits are used in this register, the functions of which are as follows:



Bit 0Enable interrupt on DMA end
Bit 1Enable interrupt on error
Bit 2Enable interrupt when IMS B008 is ready to receive byte
(OutputInt on IMS C012 is active)
Bit 3Enable interrupt when IMS B008 is ready to send byte
(Inputlnt on IMS C012 is active)



Table 8: Functional Description of the Interrupt Control Register

C Program Listings

C.1 Listing I - Basic Data Transfer Routines

  {This is a set of procedures for communicating with the IMS B008  
   via the IMS C012 link adaptor.}  
 
  CONST  
    linkBase     = $0150;  
    inputData    = $0150;  
    outputData   = $0151;  
    inputStatus  = $0152;  
    outputStatus = $0153;  
    resetT414    = $0160;  
    analyseT414  = $0161;  
 
 
  PROCEDURE initC012;  
 
  BEGIN  
    Port [  inputStatus] := 0;    {inputInt disabled}  
    Port [ outputStatus] := 0;    {outputInt disabled}  
  END;  
 
 
  FUNCTION dataPresent : BOOLEAN;  
 
  BEGIN  
    dataPresent := ODD ( Port [ inputStatus]);  
  END;  
 
 
  FUNCTION outputReady : BOOLEAN;  
 
  BEGIN  
    outputReady := ODD ( Port [ outputStatus]);  
  END;  
 
 
  PROCEDURE outByte ( b : INTEGER );  
 
  BEGIN  
    Port [ outputData] := b;  
    WHILE NOT ODD ( Port [outputStatus] ) DO BEGIN  
    END;  
  END;  
 
 
  FUNCTION inByte : INTEGER;  
 
  BEGIN  
    WHILE NOT ODD(Port[inputStatus]) DO BEGIN  
    END;  
    inByte := Port [ inputData];  
  END;  
 
 
  PROCEDURE loopFor ( i : INTEGER );  
 
  BEGIN  
    WHILE i <> 0 DO  
      i := i - 1;  
  END;  
 
 
  PROCEDURE doAnalyse;  
 
  BEGIN  
    Port [ analyseT414] := 1;  
    loopFor ( 10000);  
    Port [ resetT414] := 1;  
    loopFor ( 10000);  
    Port [ resetT414] := 0;  
    loopFor ( 10000);  
    Port [ analyseT414] := 0;  
    loopFor ( 5000);  
  END;  
 
 
  PROCEDURE doReset;  
 
  BEGIN  
    Port [ analyseT414] := 0;  
    loopFor ( 800);  
    Port [ resetT414] := 1;  
    loopFor ( 3000);  
    Port [ resetT414] := 0;  
    loopFor ( 1000);  
  END;

C.2 Listing II - Occam Buffer Program

  PROC listener ()  
 
    --declarations  
    VAL Link0out IS 0 :  
    VAL Link1out IS 1 :  
    VAL Link2out IS 2 :  
    VAL Link3out IS 3 :  
    VAL Link0in IS 4 :  
    VAL Link1in IS 5 :  
    VAL Link1in IS 6 :  
    VAL Link3in IS 7 :  
    VAL size IS 50 :  
 
    CHAN OF BYTE to.C012, from.C012 :  
    [size + 1] CHAN OF BYTE pipes :  
    PLACE to.C012 AT Link0out :  
    PLACE from.C012 AT Link0in :  
 
 
    PAR  
 
      PAR i = 0 FOR size          -- Create one process  
        BYTE data:                -- per queue position  
        WHILE TRUE  
          SEQ  
            pipes [i] ? data      -- Shift character up in queue  
            pipes [i+1] ! data  
 
      PAR  
        BYTE data:  
        SEQ  
          WHILE TRUE  
            SEQ  
              from.C012 ? data    -- Get data from C012  
              pipes [0] ! data    -- Put at bottom of queue  
        BYTE data:  
        SEQ  
          WHILE TRUE  
            SEQ  
              pipes [size] ? data -- Take data off top of queue  
              to.C012 ! data      -- Send data to C012  
  :  
 
  PLACED PAR  
    PROCESSOR 0 T4  
      listener ()

C.3 Listing III - DMA Transfer Program

  PROGRAM dma;  
 
  { This program sands a string of characters to the transputer on  
    the IMS B008 via the DMA interface, then reads them back and  
    prints them out. A buffer process sits on the transputer which  
    inputs characters and puts them into a queue.  
    It also takes characters out of the other end of the queue and  
    sends them back to the link adaptor.  
    This process is present on the ’examples’ floppy as a bootable  
    code file; it is sent to TRAM0 on the IMS B008 by the turbo  
    pascal procedure called ’loadT4code’.}  
 
  CONST  
 
    {B008 registers}  
    boardbase:    INTEGER = $150;  
    inputData:    INTEGER = 0;  
    outputData:   INTEGER = 0;  
    inputStatus:  INTEGER = 0;  
    outputStatus: INTEGER = 0;  
    resetT414:    INTEGER = 0;  
    analyseT414:  INTEGER = 0;  
    DMArequest:   INTEGER = 0;  
    INTenable:    INTEGER = 0;  
 
    {Some useful DMA constants}  
    writeDMA     = 0;  
    readDMA      = 1;  
    maxlength    = 50;    {maxlength := length of string + 1}  
    IBMtoB008    = 8;  
    B008toIBM    = 4;  
    chan0        = $0;  
    chan1        = $1;  
    chan3        = $3;  
    DMAchannel:  INTEGER = chan0;  
 
    {IBM DMA controller registers}  
    DMAstatus    = $08;  
    DMAcommand   = $08;  
    softDRQ      = $09;  
    DMAsingmask  = $0A;  
    DMAmode      = $0B;  
    DMAffclear   = $0C;  
    DMAmastclr   = $0D;  
    DMAallmask   = $0F;  
    addrch0      = $00;  
    wordch0      = $01;  
    addrch1      = $02;  
    wordch1      = $03;  
    addrch3      = $06;  
    wordch3      = $07;  
    pagech0      = $87;  
    pagech1      = $83;  
    pagech3      = $82;  
 
    {Interrupt constants}  
    PICbase      = $20;  
    spurioustuff = 7;  
    DMAInt       = 1;  
    Intchannel:BYTE    = 3;  
    intmask:   BYTE    = $F7;  
    intvec:    BYTE    = $2C;  
    eoi:       BYTE    = $63;  
    flagint:   BOOLEAN = FALSE;  
    int count: INTEGER = 0;  
    intdata:   BYTE    = 0;  
 
  TYPE  
    text = STRING [maxlength];  
 
  VAR  
    teststring, default: text;  
    datablock: ARRAY [0..maxlength] OF BYTE ABSOLUTE teststring;  
    i, j, x, transfers, counter, blocklength: INTEGER;  
    stringlength: BYTE ABSOLUTE teststring;  
    switchpic : ARRAY [1-9, 1..35] OF CHAR;  
 
 
  PROCEDURE initConst;  
 
  {Initialise typed constants)  
 
  BEGIN  
    inputData    := boardbase;  
    outputData   := boardbase + 1;  
    inputStatus  := boardbase + 2;  
    outputStatus := boardbase + 3;  
    resetT414    := boardbase + $10;  
    analyseT414  := boardbase + $11;  
    DMArequest   := boardbase + $12;  
    INTenable    := boardbase + $13;  
 
    CASE intchannel OF  
      5:  
      BEGIN  
        intmask  := $DF;  
        intvec   := $34;  
        eoi      := $65;  
      END {5};  
 
      3:  
      BEGIN  
        intmask  := $F7;  
        intvec   := $2C;  
        eoi      := $63;  
      END {3};  
    END {case};  
  END;  
 
 
  PROCEDURE IntDMA;  
 
  {Interrupt service routine for end of DMA transfer.  
   Sets flagint TRUE.}  
 
  BEGIN  
    INLINE ($50/$53/$51/$52/$56/$57/$1E/$06/$FB); {Stack registers}  
 
    flagint := TRUE;          {Flag that DMA has ended.}  
    PORT [INTenable] := 0;    {Toggle INTenable to clear interrupt}  
    PORT [PICbase]   := eoi;  {Send specific EOI to PIC}  
 
    INLINE ($07/$1F/$5F/$5E/$5A/$59/$5B/$58/$CF); {Unstack}  
  END;  
 
 
  PROCEDURE initINT;  
 
  {Set up interrupt stuff}  
 
    VAR  
      IntServAddr: INTEGER;  
      OldMask: BYTE;  
 
  BEGIN  
    IntServAddr := OFS (IntDMA) + spurioustuff;  
 
    MEM [$0000:intvec + 0] := IntServAddr AND $FF;  
    MEM [$0000:intvec + 1] := IntServAddr SHR 8;  
    MEM [$0000:intvec + 2] := CSEG AND $FF;  
    MEM [$0000:intvec + 3] := CSEG SHR 8;  
 
    OldMask := PORT [PICbase + 1];      {Clear mask for IRQ3 or 5}  
    PORT [PICbase + 1] := OldMask AND IntMask;  
    PORT [INTenable] := 0; {Disable interrupts from B008}  
  END;  
 
 
  PROCEDURE initC012;  
 
  BEGIN  
    Port [  inputStatus] := 2; {Enable inputInt}  
    Port [ outputStatus] := 2; {Enable outputInt}  
  END;  
 
 
  FUNCTION dataPresent : BOOLEAN;  
 
  BEGIN  
    dataPresent := ODD ( Port [ inputStatus]);  
  END;  
 
 
  FUNCTION outputReady : BOOLEAN;  
 
  BEGIN  
    outputReady := ODD (Port [ outputStatus]);  
  END;  
 
 
  PROCEDURE outByte (b : BYTE );  
 
  BEGIN  
    Port [ outputData] := b;  
    WHILE NOT ODD ( Port [outputStatus] ) DO BEGIN  
    END;  
  END;  
 
 
  PROCEDURE loopFor (i : INTEGER);  
 
  BEGIN  
    WHILE i <> 0 DO  
      i := i - 1;  
  END;  
 
 
  PROCEDURE doReset;  
 
  BEGIN  
     Port [ analyseT414] := 0;  
     loopFor ( 800);  
     Port [ resetT414] := 1;  
     loopFor ( 3000);  
     Port [ resetT414] := 0;  
     loopFor (1000);  
  END;  
 
 
  PROCEDURE loadT4code;  
 
    VAR  
      data: BYTE;  
       bootcode: FILE OF BYTE;  
 
  BEGIN  
    ASSIGN (bootcode, ’buffer.bcf’);  
    RESET (bootcode);  
    WRITELN (’Loading boot code to transputer...’);  
    REPEAT  
      READ (bootcode, data);  
      outByte (data);  
    UNTIL EOF (bootcode) = TRUE;  
    WRITELN (’Loaded code’);  
  END;  
 
 
  PROCEDURE add24bit (segment, offset: INTEGER;  
                      VAR byte0, byte1, byte2: BYTE)  
 
  { Produce a 24 bit address from a 16-bit segment and a  
    16-bit offset. Pass the result out as three bytes using  
    variable parameters.}  
 
    VAR  
      result, temp: INTEGER;  
      a, b, carry: BYTE;  
 
  BEGIN  
    temp  := segment SHL 4; {Bottom 12 bits of segment.}  
 
    a      := temp AND $FF;  
    b      := offset AND $FF;  
    result := a + b;  
    byte0  := result AND $FF;  
    carry  := result SHR 8;  
 
    a      := temp SHR 8;  
    b      := offset SHR 8;  
    result := a + b + carry;  
    byte1  := result AND $FF;  
    carry  := result SHR 8;  
 
    temp   := segment SHR 12; {Top 4 bits of segment.}  
    byte2  := temp + carry;  
  END;  
 
 
  PROCEDURE setupDMAC (readnotwrite: BYTE;  
                       length, segdata, ofsdata: INTEGER);  
 
    VAR  
      addr0, addr1, addr2, direction: BYTE;  
 
    PROCEDURE addressandcount (addrch, pagech, wordch: BYTE);  
 
    {Set up start address and length of transfer in DMAC for  
     apt channel.}  
 
    BEGIN  
      port [addrch] := addr0; {Set up address ls byte)  
      port [addrch] := addr1; {Set up address middle byte}  
      port [pagech] := addr2; {Put address msb in page reg}  
 
      port [wordch] := length AND $FF; {Length of data block}  
      port [wordch] := length SHR 8;  
    END;  
 
  BEGIN  
    PORT [DMAmastclr] := 0;    {Reset DMAC}  
 
    add24bit (segdata, ofsdata, addr0, addr1, addr2);  
 
    CASE DMAchannel OF  
      0: addressandcount (addrch0, pagech0, wordch0);  
      1: addressandcount (addrch1, pagech1, wordch1);  
      3: addressandcount (addrch3, pagech3, wordch3);  
    END {case};  
 
    PORT [DMAmode] := ($00 OR readnotwrite OR DMAchannel);  
                             {Set up mode register:  
                              ch0 select;  
                              read or write transfer;  
                              autoinit disable;  
                              address increment;  
                              demand mode.  
           Binary mode word = 0000 10cc IBM -> B008  
                            = 0000 01cc B008 -> IBM}  
 
    PORT [DMAcommand] := $00; {Set up command register:  
                              mem-to-mem off;  
                              ch0 address hold disable;  
                              controller enable;  
                              normal timing;  
                              fixed priority;  
                              late write;  
                              DREQ active high;  
                              DACK active low.  
        Binary command word = 0000 0000}  
    PORT [DMAallmask] := 0;   {Clear apt channel mask bit}  
  END;  
 
  PROCEDURE pol1DMAC;  
 
  {Poll DMAC status register until transfer has completed}  
 
    VAR  
      chanmask: BYTE;  
 
  BEGIN  
    chanmask := 1 SHL DMAchannel;  
    WRITELN (’Polling DMA controller...’);  {Bit for apt channel}  
    WHILE ((PORT [DMAstatus] AND chanmask) = 0) DO;  
    WRITELN (’Finished polling’);  
    WRITELN;  
  END;  
 
 
  PROCEDURE polllntflag;  
 
  BEGIN  
    WRITELN (’Waiting for interrupt...’);  
    WHILE flagint = FALSE DO;  
    WRITELN (’Interrupt complete’);  
    WRITELN;  
  END;  
 
 
  PROCEDURE DMAwrite;  
 
  BEGIN  
    flagint := FALSE;  
    setupDMAC (IBMtoB008, stringlength, SEG (datablock [0])  
                                      , OFS (datablock [0]));  
    WRITELN (’Transferring data to B008...’);  
    PORT [DMArequest] := writeDMA; {Trigger off DMA transfer}  
    polllntFlag;                   {Wait for interrupts}  
  END;  
 
 
  PROCEDURE DMARead;  
 
  {Read the data block back from the T414 using DMA}  
 
    VAR  
      strcount: BYTE;  
      msgback: text;  
      msgbackarr: ARRAY [0..maxlength] OF BYTE ABSOLUTE msgback;  
 
  BEGIN  
    flagint := FALSE;  
    setupDMAC (B008toIBM, stringlength, SEG (msgbackarr [0])  
                                      , OFS (msgbackarr [0]));  
    WRITELN (’Reading data from B008...’);  
    PORT [DMArequest] := readDMA;    {Trigger off DMA transfer}  
    pol1DMAC;  
    WRITELN (’Message received is: ’,msgback);  
    IF (msgback = teststring) THEN  
      WRITELN (’Transfer ’,counter,’ successful.’);  
  END;  
 
 
  PROCEDURE drawswitches (dmach, badd, intch : INTEGER );  
 
  {This procedure draws the appropriate switch settings, but is}  
  {not produced here because it is excessively long and drawn out}  
 
  {Details of the source code can be found on the}  
  {"Test/Examples" Disc}  
 
 
  PROCEDURE switches;  
 
  {Input the board setup and adjust constants accordingly}  
 
  BEGIN  
    WRITE (’Base address of board: ($150, $200 or $300): ’);  
    READLN (boardbase);  
    WHILE (boardbase<>$150) AND (boardbase<>$200) AND (boardbase<>$300) DO  
    BEGIN  
      WRITE (’Base address of board: ($150, $200 or $300): ’);  
      READLN (boardbase);  
    END;  
    WRITE (’DMA channel selected (0, 1 or 3): ’);  
    READLN (DMAchannel);  
    WHILE (DMAchannel<>O) AND (DMAchannel<>1) AND (DMAchannel<>3) DO  
    BEGIN  
      WRITE (’DMA channel selected (0, 1 or 3): ’);  
      READLN (DMAchannel);  
    END;  
    WRITE (’Interrupt level (3 or 5): ’);  
    READLN (intchannel);  
    WHILE (intchannel<>3) AND (intchannel<>5) DO  
    BEGIN  
      WRITE (’Interrupt level (3 or 5): ’);  
      READLN (intchannel); END;  
    WRITELN;  
  END;  
 
 
  BEGIN {Program Body}  
    WRITELN (’This software is designed to test the DMA operation’);  
    WRITELN (’of the INMOS IMS B008 module motherboard. In order’);  
    WRITELN (’to run the test it is necessary to provide the’);  
    WRITELN (’software with the base address of the board, and the’);  
    WRITELN (’DMA and interupt channels used.’);  
    WRITELN (’The default values for these parameters are :-’);  
    WRITELN;  
    WRITE (’    Base address    = $’);  
    CASE boardbase OF  
      $150 : WRITELN (’150’);  
      $200 : WRITELN (’200’);  
      $300 : WRITELN (’300’);  
    END;  
    WRITE (’    DMA channel    = ’);  
    WRITELN (DMAchannel);  
    WRITE (’    Interupt channel = ’);  
    WRITELN (intchannel);  
    WRITELN;  
    WRITE (’Do you wish to change these default values ? ’);  
    READLN (default);  
    IF (default = ’yes’) OR (default = ’YES’) OR (default = ’y’)  
      OR (default = ’Y’) THEN switches;  
    WRITELN (’The switch settings on the board should be as follows :-’);  
    WRITELN;  
    drawswitches (DMAchannel, boardbase, intchannel);  
    WRITE (’Press <ENTER> when switches are correctly set’);  
    READLN (default);  
 
    initConst;  
    initINT;  
    transfers := 0;  
    teststring := ’This is a DMA test’;  
    doReset;  
    initC012;  
    loadT4code;  
 
    FOR counter := 1 TO 2 DO  
    BEGIN  
      WRITELN (’__________________________________________________’);  
      WRITELN;  
      PORT [INTenable] := DMAInt;    {Enable interupts}  
      DMAwrite;  
      DMAread;  
    END;  
  END.

D HL1 Description of IMS B008 Link Connections

  SIZES  
    T2 1  
    C4 1  
    SLOT 10  
    EDGE 10  
  END  
 
  T2 CHAIN  
    T2 0, LINK 3 C4 0  
  END  
 
 
  HARDWIRE  
    SLOT 0,LINK 2 TO SLOT 1,LINK 1  
    SLOT 1,LINK 2 TO SLOT 2,LINK 1  
    SLOT 2,LINK 2 TO SLOT 3,LINK 1  
    SLOT 3,LINK 2 TO SLOT 4,LINK 1  
    SLOT 4,LINK 2 TO SLOT 5,LINK 1  
    SLOT 5,LINK 2 TO SLOT 6,LINK 1  
    SLOT 6,LINK 2 TO SLOT 7,LINK 1  
    SLOT 7,LINK 2 TO SLOT 8,LINK 1  
    SLOT 8,LINK 2 TO SLOT 9,LINK 1  
 
    C4 0,LINK 10 TO SLOT 0,LINK 3  
    C4 0,LINK  1 TO SLOT 1,LINK 0  
    C4 0,LINK 11 TO SLOT 1,LINK 3  
    C4 0,LINK  2 TO SLOT 2,LINK 0  
    C4 0,LINK 12 TO SLOT 2,LINK 3  
    C4 0,LINK  3 TO SLOT 3,LINK 0  
    C4 0,LINK 13 TO SLOT 3,LINK 3  
    C4 0,LINK  4 TO SLOT 4,LINK 0  
    C4 0,LINK 14 TO SLOT 4,LINK 3  
    C4 0,LINK  5 TO SLOT 5,LINK 0  
    C4 0,LINK 15 TO SLOT 5,LINK 3  
    C4 0,LINK  6 TO SLOT 6,LINK 0  
    C4 0,LINK 16 TO SLOT 6,LINK 3  
    C4 0,LINK  7 TO SLOT 7,LINK 0  
    C4 0,LINK 17 TO SLOT 7,LINK 3  
    C4 0,LINK  8 TO SLOT 8,LINK 0  
    C4 0,LINK 18 TO SLOT 8,LINK 3  
    C4 0,LINK  9 TO SLOT 9,LINK 0  
    C4 0,LINK 19 TO SLOT 9,LINK 3  
 
    C4 0,LINK 20 TO EDGE 0  
    C4 0,LINK 21 TO EDGE 1  
    C4 0,LINK 22 TO EDGE 2  
    C4 0,LINK 23 TO EDGE 3  
    C4 0,LINK 24 TO EDGE 4  
    C4 0,LINK 25 TO EDGE 5  
    C4 0,LINK 26 TO EDGE 6  
    C4 0,LINK 27 TO EDGE 7  
    C4 0,LINK 28 TO EDGE 8  
    C4 0,LINK 29 TO EDGE 9  
  END

E Example Transputer Networks

This appendix contains some example transputer networks together with their HL1 descriptions. See the MMS User Manual for a description of HL1.

E.1 Square

Square Square

Figure 12: Square
  SOFTWIRE  
    SLOT 1, LINK 3 TO SLOT 6, LINK 0  
    SLOT 1, LINK 0 TO EDGE 0  
    SLOT 2, LINK 0 TO EDGE 1  
    SLOT 2, LINK 3 TO EDGE 2  
    SLOT 5, LINK 0 TO EDGE 3  
    SLOT 5, LINK 3 TO EDGE 4  
    SLOT 6, LINK 3 TO EDGE 5  
  END

E.2 Cube

Cube Cube

Figure 13: Cube
  SOFTWIRE  
    SLOT 1, LINK 0 TO SLOT 4, LINK 3  
    SLOT 2, LINK 0 TO EDGE 0  
    SLOT 3, LINK 0 TO EDGE 1  
    SLOT 4, LINK 0 TO EDGE 2  
    SLOT 5, LINK 0 TO SLOT 8, LINK 3  
    SLOT 6, LINK 0 TO SLOT 3, LINK 3  
    SLOT 7, LINK 0 TO SLOT 2, LINK 3  
    SLOT 8, LINK 0 TO SLOT 1, LINK 3  
    SLOT 5, LINK 3 TO EDGE 3  
    SLOT 6, LINK 3 TO EDGE 4  
    SLOT 7, LINK 3 TO EDGE 5  
  END

E.3 Petersen Graph

All ten slots are used by this network, which does not leave a slot for a TRAM to run the TDS and MMS. Therefore a second IMS B008, or another transputer board, is required for this purpose. No HL1 description for this network is included.

Petersen Net Petersen Net

Figure 14: Petersen Net

F Patch Area Pin Out

This appendix shows the links which go to the 24-pin patch header and the default connections. If any changes need to be made, a new header should be plugged in with the new connections made.

24-way Patch Header Connections 24-way Patch Header Connections

Figure 15: 24-way Patch Header Connections

G D-Connector Pin Out

37-way D-Connector Pin Out 37-way D-Connector Pin Out

Figure 16: 37-way D-Connector Pin Out

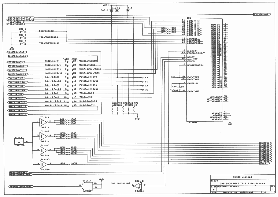
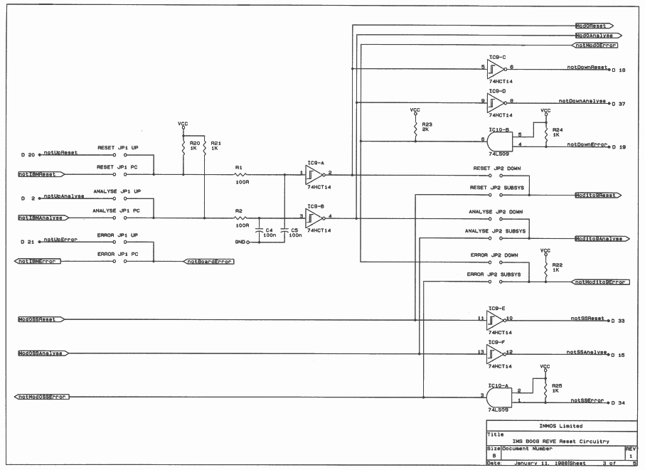
H Circuit Diagram

Circuit Diagram 1 of 5 Circuit Diagram 1 of 5

Figure 17: Circuit Diagram 1 of 5

Circuit Diagram 2 of 5 Circuit Diagram 2 of 5

Figure 18: Circuit Diagram 2 of 5

Circuit Diagram 3 of 5 Circuit Diagram 3 of 5

Figure 19: Circuit Diagram 3 of 5

Circuit Diagram 4 of 5 Circuit Diagram 4 of 5

Figure 20: Circuit Diagram 4 of 5

Circuit Diagram 5 of 5 Circuit Diagram 5 of 5

Figure 21: Circuit Diagram 5 of 5

I PAL Equations

  NAME        IC5 ; /* IBM Address Select */  
  REVISION    01 ;  
  DATE        17/6/87 ;  
  DESIGNER    C. Cytera ;  
  COMPANY     Inmos Ltd ;  
  ASSEMBLY    B008 ;  
  DEVICE      P16L8 ;  
 
  /** Inputs **/  
 
         PIN 1  = SA4 ;  
         PIN 2  = SA5 ;  
         PIN 3  = SA6 ;  
         PIN 4  = SA7 ;  
         PIN 5  = SA8 ;  
         PIN 6  = SA9 ;  
         PIN 7  = AEN ;  
         PIN 8  = SEL0 ;  
         PIN 9  = SEL1 ;  
         PIN 11 = DACK ;  
         PIN 13 = direction ;  
         PIN 14 = SA0 ;  
         PIN 15 = SA1 ;  
 
  /** Outputs **/  
 
         PIN 12 = RS0 ;  
         PIN 17 = !notSYS ;  
         PIN 18 = !notLADP ;  
         PIN 19 = RS1 ;  
 
  FIELD IBMaddr = [SA9..SA4] ;  
  FIELD Select = [SEL1..SEL0] ;  
 
  /** Define Board Address Spaces **/  
 
  notLADP =   IBMaddr:[150] & Select:[1] & !AEN  
            # IBMaddr:[200] & Select:[2] & !AEN  
            # IBMaddr:[300] & Select:[3] & !AEN  
            # DACK ;  
 
  notSYS =   IBMaddr:[160] & Select:[1] & !AEN  
           # IBMaddr:[210] & Select:[2] & !AEN  
           # IBMaddr:[310] & Select:[3] & !AEN ;  
 
  /** Generate RS0 and RS1 for link adaptor -  
      Normal access: RS0 = SA0, RS1 = SA1.  
      DMA access: RS0 = !direction, RS1 = 0.  
      (For B008 -> IBM, direction = 0;  
       for IBM -> B008, direction = 1.) **/  
 
  RS0 = SA0 & !DACK # !direction & DACK ;  
  RS1 = SA1 & !DACK ;

  NAME        IC6 ; /** IBM interface **/  
  REVISION    01 ;  
  DATE        17/6/87 ;  
  DESIGNER    C. Cytera ;  
  COMPANY     Inmos Ltd  
  ASSEMBLY    B008 ;  
  DEVICE      P22V10 ;  
 
  /** Inputs **/  
 
         PIN 1  = PClk ;  
         PIN 2  = nc1 ;  
         PIN 3  = notLADP ;  
         PIN 4  = notSYS ;  
         PIN 5  = notIOR ;  
         PIN 6  = notIOW ;  
         PIN 7  = notIBMError ;  
         PIN 8  = nc2 ;  
         PIN 9  = SA0 ;  
         PIN 10 = SA1 ;  
         PIN 11 = Mod0notError ;  
 
  /** Outputs **/  
 
         PIN 14 = notBoardError ;  
         PIN 15 = writeInt ;  
         PIN 16 = !notIBMReset ;  
         PIN 17 = !notIBMAnalyse ;  
         PIN 18 = !notWrite ;  
         PIN 19 = !notCS ;  
         PIN 20 = SD0 ;  
         PIN 21 = writeDMA ;  
         PIN 22 = notStatWR ;  
 
  FIELD Register = [SA1..SA0] ;  
 
  FIELD output = [notIBMReset, notIBMAnalyse, notStatWR] ;  
 
  /** Turn off asynchronous reset **/  
 
  output.ar = ’b’0 ;  
 
  /** Turn off synchronous preset **/  
 
  output.sp = ’b’0 ;  
 
  /** Read and Write Declarations **/  
 
  readsys   = !notIOR & !notSYS ;  
  writesys  = !notIOW & !notSYS ;  
  readlink  = !notIOR & !notLADP ;  
  writelink = !notIOW & !notLADP ;  
 
  writeReset   = writesys & Register:[0] ;  
  writeAnalyse = writesys & Register:[1] ;  
  writeDMA     = writesys & Register:[2] ;  
  writeInt     = writesys & Register:[3] ;  
 
  /** Staticise notIOW **/  
 
  notStatWR.d = notIOW  
 
  /** Link Adaptor Timing Logic **/  
 
  notCS    = writelink & !notStatWR # readlink ;  
  notWrite =  !notLADP & !notStatWR # writelink ;  
 
  /** Buffer wired-or error signal to go off board **/  
 
  notBoardError = Mod0notError ;  
 
  /** Error Flag Propogation to IBM **/  
 
  SD0 = notIBMError ;  
  SD0.oe = readsys ;  
 
  /** Latch reset and analyse registers from IBM bus **/  
 
  notIBMReset.d   = SD0 & writeReset   # notIBMReset   & !writeReset ;  
  notIBMAnalyse.d = SD0 & writeAnalyse # notIBMAnalyse & !writeAnalyse ;

  NAME        IC7 ; /** Interrupt control **/  
  REVISION    01 ;  
  DATE        17/6/87 ;  
  DESIGNER    C. Cytera ;  
  COMPANY     Inmos Ltd ;  
  ASSEMBLY    B008 ;  
  DEVICE      P22V10 ;  
 
  /** Inputs **/  
 
         PIN 1  = PClk ;  
         PIN 2  = SD0 ;  
         PIN 3  = SD1 ;  
         PIN 4  = SD2 ;  
         PIN 5  = SD3 ;  
         PIN 6  = notIOW ;  
         PIN 7  = EndDMA ;  
         PIN 8  = writeInt ;  
         PIN 9  = InputInt ;  
         PIN 10 = OutputInt ;  
         PIN 11 = !notIBMError ;  
         PIN 13 = IntLevelSelect ; /** 0 -> IRQ3, 1 -> IRQ5. **/  
 
  /** Outputs **/  
 
         PIN 14 = InIntSelect ;  
         PIN 15 = OutIntSelect ;  
         PIN 16 = ErrIntSelect ;  
         PIN 17 = DMAIntSelect ;  
         PIN 18 = StatEndDMA ;  
         PIN 19 = IntEnable ;  
         PIN 20 = EndDMAFallEdge ;  
         PIN 21 = IRQ5 ;  
         PIN 22 = IRQ3 ;  
         PIN 23 = EndDMALatched ;  
 
  FIELD output = [InIntSelect, OutIntSelect, ErrIntSelect, DMAIntSelect,  
                  notStatWR, StatEndDMA, EndDMAFallEdge, EndDMALatched] ;  
 
  /** Switch off all async resets **  
 
  output.ar = ’b’0 ;  
 
  /** Switch off all sync presets **/  
 
  output.sp = ’b’0 ;  
 
  /** Have to write this out again because of yet another CUPL bug **/  
 
  output.ar = ’b’0 ;  
 
  /** Staticise ’EndDMA’ pulse **/  
 
  StatEndDMA.d = EndDMA ;  
 
  /** Produce pulse on falling edge of EndDMA **/  
 
  EndDMAFallEdge.d = StatEndDMA & !EndDMA ;  
 
  /** Set ’EndDMALatched’ on ’EndDMAFallEdge’;  
      clear it when software clears DMAIntSelect bit. **/  
 
  EndDMALatched.d = DMAIntSelect & (EndDMAFallEdge # EndDMALatched) ;  
 
  /** Interrupt source selection latches **/  
 
  InIntSelect.d  = SD3 & writeInt # InIntSelect  & !writeInt ;  
  OutIntSelect.d = SD2 & writeInt # OutIntSelect & !writeInt ;  
  ErrIntSelect.d = SD1 & writeInt # ErrIntSelect & !writeInt ;  
  DMAIntSelect.d = SD0 & writeInt # DMAIntSelect & !writeInt ;  
 
  /** Define Interrupt Signals **/  
 
  IRQ = InputInt & InIntSelect  
      # OutputInt & OutIntSelect  
      # notIBMError & ErrIntSelect  
      # EndDMALatched & DMAIntSelect ;  
  IRQ3 = IRQ ;  
  IRQ5 = IRQ ;  
 
  /** Exclusively Enable Relevant Interrupt line **/  
 
  IntEnable = InIntSelect # OutIntSelect # ErrIntSelect # DMAIntSelect  
 
  IRQ3.oe = !IntLevelSelect & IntEnable ;  
  IRQ5.oe =  IntLevelSelect & IntEnable ;

  NAME        IC8 ; /** DMA control **/  
  REVISION    01 ;  
  DATE        17/6/87 ;  
  DESIGNER    C. Cytera ;  
  COMPANY     Inmos Ltd ;  
  ASSEMBLY    B008 ;  
  DEVICE      P16L8 ;  
 
  /** Inputs **/  
 
         PIN 1  = DACK0  
         PIN 2  = SD0 ;  
         PIN 3  = DACK1 ;  
         PIN 4  = DACK3 ;  
         PIN 5  = inputInt ;  
         PIN 6  = outputInt ;  
         PIN 7  = nc ;  
         PIN 8  = writeDMA ;  
         PIN 9  = DMASel10 ;  
         PIN 11 = EndDMAFallEdge ;  
         PIN 14 = resetDRV ;  
         PIN 17 = DMASel1 ;  
 
  /** Outputs **/  
 
         PIN 12 = DACK ;  
         PIN 13 = DRQ3 ;  
         PIN 15 = DMAactive ;  
         PIN 16 = direction ;    /** 0 = IBM -> C012, 1 = C012 -> IBM **/  
         PIN 18 = DRQ1 ;  
         PIN 19 = DRQ0 ;  
 
  /** Make field for switches as follows:  
 
          DMASel1 DMASel0  
          ----------------  
           0       0   Channel 0 enabled  
           0       1   Channel 1 enabled  
           1       0   DMA disabled  
           1       1   Channel 3 enabled  
  **/  
 
  FIELD SWITCH = [DMASel0..DMASel1] ;  
 
  /** Latch direction of DMA transfer **/  
 
  direction = SD0 & writeDMA # direction & !writeDMA # SD0 & direction ;  
 
  /** Select acknowledge for channel being used **/  
 
  DACK = !DACK0 & SWITCH:0  
       # !DACK1 & SWITCH:1  
       # !DACK3 & SWITCH:3 ;  
 
  /** Set DMAactive when ’writeDMA’ is active  
      Clear DMAactive at end of DMA cycle or at power-on **/  
 
  DMAactive = (writeDMA # DMAactive) & !(EndDMAFallEdge # resetDRV) ;  
 
  /** Generate DMA requests **/  
 
  DRQ = (inputInt & direction # outputInt & !direction) & DMAactive ;  
 
  DRQ0 = DRQ & SWITCH:0 ;  
  DRQ1 = DRQ & SWITCH:1 ;  
  DRQ3 = DRQ & SWITCH:3 ;  
 
  DRQ0.oe = SWITCH:0 ;  
  DRQ1.oe = SWITCH:1 ;  
  DRQ3.oe = SWITCH:3 ;