IMS B008 User Guide
and Reference Manual

_____________________________________________________________________

User Manual

INMOS Limited

1990
72-TRN-223-00

Contents

1 Installation warning
2 Introduction
3 The IMS B008
4 Transputer, TRAMs and TRAM motherboard background
 4.1 INMOS Links
 4.2 TRAMs
 4.3 TRAM motherboards
5 TRAM slots
 5.1 TRAM networks
 5.2 The IMS C004
 5.3 Network configuration processor
  5.3.1 C004 reset
 5.4 Affect of the IMS C004 on link bandwidth
 5.5 Dynamic Connection Changing
6 System services
 6.1 Driving system services
7 PC bus interface
 7.1 Link interface
 7.2 Host system services
 7.3 Interrupts
 7.4 DMA control
 7.5 DMA and interrupt channel selection
 7.6 PC bus reset and reset to the IMS C012
 7.7 Programming the IMS B008 PC bus interface
 7.8 Operating the IMS B008 with the PC bus interface disabled
8 Configuration
 8.1 Investigating your PCs configuration
 8.2 PC bus enable/disable and base address
 8.3 DMA and Interrupt channel selections
 8.4 System services selections
 8.5 Link wiring options
 8.6 Link speed selections
9 Example setups
 9.1 Example 1 : Configuring an IMS B008 with a single TRAM
 9.2 Module Motherboard Software (MMS)
 9.3 Example 2 : Setting up a square network on the IMS B008
 9.4 Example 3 : A cube network set up on two IMS B008 boards
  9.4.1 Configuration of first board
  9.4.2 Configuration of the second board
  9.4.3 Completing the network
10 Connectors
 10.1 Cables
A Unpacking, handling and installation
 A.1 Unpacking and handling the IMS B008
 A.2 Installing the IMS B008 in a PC bus card slot
 A.3 Installing TRAMS on the IMS B008
 A.4 Installation of a TRAM with subsystem pins
B Electrical characteristics
 B.1 Power supply requirements
 B.2 Local off board connections
 B.3 Non-Local Connections
C Physical characteristics
 C.1 Mechanical details
 C.2 Weight
 C.3 Thermal information
 C.4 Operating and storage environments
D Connector pin assignments
 D.1 P1, the patch header socket
 D.2 P2, the 37 way D-type connector
 D.3 P3, and P4 the PC bus edge connectors
E Jumpers
F Switches
G MMS hardwire file
H IMS C004 configuration messages
I Memory Map
J IMS B008 old/new version compatibility

1 Installation warning

IMPORTANT

Read this before un-packing or operating the IMS B008

To secure correct operation of this board and to avoid possible damage, please take the following precautions.

1. Read

Read and observe the precautions in the IMS B008 user guide and reference manual, section A, Unpacking, Handling, and Installation and section B Electrical Characteristics.

2. Connections to other boards

The INMOS serial links and other signals brought out to the D-connector on the back panel of the IMS B008 are designed only to be connected to other boards in the same electrical environment. These interconnected boards must share a ground reference, run from similar supply voltages, and operate in a low electromagnetic noise area. Problems should not be experienced if the IMS B008 board is connected solely to other boards in the same PC, using cables supplied by INMOS, and operated in a low electromagnetic noise area. If the need arises to connect to another board in a separate piece of equipment, then steps must be taken to ensure that the two boards operate in the same electrical environment.

Note: the common ground reference requirement must be met before the IMS B008 is interconnected to any other boards even while the PC and the other systems are powered off. Failure to observe this requirement may result in damage to devices on the IMS B008 or other boards.

3. Turn off first

Before plugging the IMS B008 into the PC, plugging or un-plugging any cables to the board, or changing any switches or jumpers, ensure that the PC and any systems to which the IMS B008 is connected are powered off. In addition it is good practice to touch the metalwork of the PC first before touching the board or any of the cables to guard against electrostatic discharge damage to the IMS B008 or the PC.

2 Introduction

This manual is intended to be used by two groups of people:

Those in the first group should read the User guide section of the manual, and the appendices on unpacking and installation. They will not need to read all of the text on the PC bus interface, section 7, but the first part of that section does give a insight into the way the interface works. Reading these parts of the manual will give an understanding of the functions of the IMS B008 and how to configure the board for different applications.

The second group of users should read the whole of the User guide and will need to refer to the appendices for the additional information they require.

For those users that have previously been using earlier versions of this board, there is an appendix on the compatibility of the IMS B008 with applications which were designed to use earlier versions of the IMS B0081, appendix J.

3 The IMS B008

The IMS B008 is a TRAansputer Module (TRAM) motherboard designed to plug into a PC or PC/AT bus. The board has ten TRAM slots, an interface to the PC bus2 and an IMS C004 link switch to allow networks of TRAMs to be set up under software control. Figure 1 identifies the major components on the board, and figure 2 provides a functional block diagram of the IMS B008.

Top view of the IMS B008 Top view of the IMS B008

Figure 1: Top view of the IMS B008

Functional block diagram of the IMS B008 Functional block diagram of
the IMS B008

Figure 2: Functional block diagram of the IMS B008

The interface to the PC provides a single INMOS serial link and a system services port. This allows software running on the PC to reset, analyse, communicate with, and monitor the error flag of a transputer network connected to or on the IMS B008. Data can be transferred to and from the link interface using programmed I/O or a DMA transfer mechanism allowing data transfer to go on without processor intervention. On some PCs this will also result in a faster transfer rate than can be achieved using programmed I/O. Interrupts can be generated on link events, on error being asserted, or at the end of a DMA transfer, freeing the processor from polling the IMS B008 to detect these events.

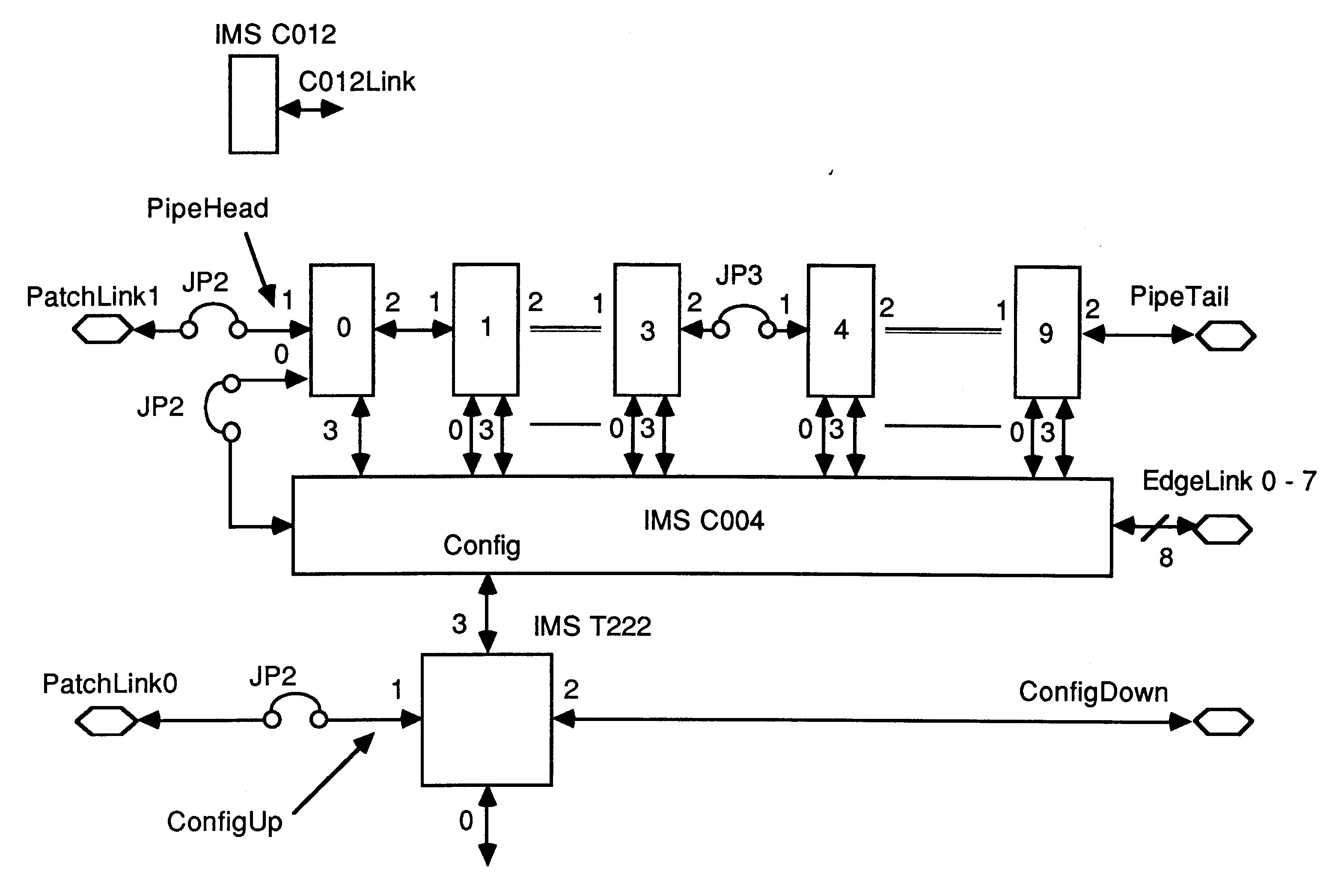
The TRAM slots on the IMS B008 are connected into a pipeline using two of the four links from each slot. The remaining two links from slots 1 to 9 and link 3 from slot 0 are connected to the IMS C004 link switch which allows these links to be softwired3 together to form transputer networks other than a pipeline. Control and configuration of the link switch is performed by an IMS T222 16 bit transputer.

4 Transputer, TRAMs and TRAM motherboard background

The INMOS transputer family includes 16 and 32-bit processors. These are all capable of communicating with each other and can be programmed when connected together to execute tasks in parallel. Full information on transputers can be found in The Transputer Databook [1] and in other INMOS publications. The IMS B008 uses one transputer on-board for network configuration and can support transputer arrays in the form of TRAMs.

4.1 INMOS Links

Transputers use special serial communication connections to talk to each other. These are called INMOS links, or links. Links use two wires to send data in two directions between two transputers (or other chips) at up to 20 Mbits/s. All communication between TRAMs on the IMS B008, and between the TRAMs and the PC bus interface, is via links. For full information on links see [1] and [2].

4.2 TRAMs

TRAMs are small circuit modules which communicate via INMOS serial links. A full TRAM background is to be found in [3]. The smallest TRAM (called ”size 1”) is about 3 1/2” by 1” and has eight IC-type pins along each of the short ends. These sixteen pins carry four INMOS links, reset signals, clock and power supplies. TRAMs are plugged into a motherboard (or baseboard) just like socketed ICs.

Larger TRAMs are simply a multiple of the size 1 footprint. Thus, a ”size 2” TRAM occupies two of the sockets into which a size 1 TRAM will plug. In order to avoid confusion, discussions about motherboards (such as the IMS B008) always refer to ”slots” (see figure 3). A slot is one position into which a size 1 TRAM may be plugged. So, for instance, the IMS B008 which has ten slots, may have ten size 1 TRAMS or five size 2 or two size 4 and two size 1 or one size 8 or even six size 1 and one size 4. There is no restriction on mixing the different sizes, as long as the total complement will fit.

TRAM Slots TRAM Slots

Figure 3: TRAM Slots

In addition, some TRAMs have pins which are sockets at the top. This means that some TRAM combinations can be ”double-stacked”. For instance, if you had two size 4 (single transputer) TRAMs fitted to an IMS B008, only two slots would actually be used for the link signals. The remaining six slots would be covered by the TRAMs but are not used electrically. In some cases you can plug further TRAMS into the already fitted size 4 TRAMS and so make use of the unused slots. This double stacking is not always possible and usually makes the board too high to fit into a single PC bus card slot.

4.3 TRAM motherboards

A TRAM motherboard provides a number of slots into which TRAMs can be plugged. Each of these slots provides the necessary connections to power, clock, reset signals and the INMOS links. The motherboard provides a method of connecting TRAMs together and may also include special circuitry to provide an interface to something other than a transputer system. In the case of the IMS B008 this is an interface to the PC bus. The IMS B008 is one of a range of TRAM motherboards available from INMOS. All of the INMOS motherboards have a similar architecture defined in [4]. These motherboards can be used to build networks of transputers of arbitrary size and are supported by a range of software products from INMOS.

It is intended that custom motherboards may be used to support TRAMs in applications where standard motherboards are inappropriate. These motherboards would provide the functions particular to the application, adding TRAM slots to support the TRAMs required.

5 TRAM slots

The IMS B008 has ten sites for TRAMs to be plugged into called TRAM slots. Each slot can accommodate a size 1 TRAM (see section 4.2). Larger TRAMs will occupy more than one slot. Each of the ten slots on the IMS B008 has connections for four INMOS links. These links will be referred to here and in the rest of this manual as slot x, link y which means link y of slot x. Links are numbered 0 to 3 and slots, in the case of the IMS B008, are numbered 0 to 9.

The ten slots on the IMS B008 are connected into a pipeline, using links 1 and 2 from each slot. So slot 0, link 2 is connected to slot 1, link 1; slot 1, link 2 is connected to slot 2, link 1 and so on. These connections, and any other link connections, made on the IMS B008 board itself are referred to as hardwires (see section 9).

The two unconnected links, slot 0, link 1 and slot 9, link 2, at the ends of the slot pipeline are referred to as pipehead (slot 0, link 1) and pipetail (slot 9, link 2). Pipetail is taken out to the 37 way D-type connector, P2, at the back of the board.

In a lot of cases not all of the slots of the IMS B008 will have TRAMs fitted, even if they are covered by a TRAM they may not be connected to it electrically. In this case to maintain the pipeline connection pipejumpers must be used, plugged into each un-occupied slot, or the TRAM covering that slot. These pipejumpers connect link 1 to link 2 of the same slot. They are plugged into the pin 1 end of the TRAM slot, with the triangle marked on the corner. The pipejumpers have a mark on them which must be pointing towards the pin 1 marker triangle.

The remaining two links, 0 and 3, from slots 1 to 9, and slot 0, link 3 are connected to the IMS C004 link switch. Eight links from the IMS C004 are taken out to the 37 way D-type connector, P2 at the back of the board. The IMS C004 can connect together any of the links connected to its pins, allowing networks to be set up on the IMS B008. Since link connections, via the IMS C004, can also be made to the links coming out on P2 these networks can extend onto multiple IMS B008s, or onto other transputer boards, by connecting the links on P2 to the links coming out to an external connector on the other boards. Connections between links made through the IMS C004 are referred to as softwires (see section 9). The IMS C004 is configured by sending messages to it on its configuration link. These messages are sent by the network configuration processor, an IMS T222, on the IMS B008 (see section 5.3).

The INMOS link connections between the slots, the IMS C004, the IMS T222, and the C012Link from the IMS C012 are shown in figure 4. Some of the links are connected to an area labelled link jumpers in the figure. This figure indicates the possible connections that can be made using the jumpers on the IMS B008.

INMOS link connections on the IMS B008 INMOS link connections on the
IMS B008

Figure 4: INMOS link connections on the IMS B008

Other connections for these links and another of the unconnected links on the IMS C004 can be made by removing the jumpers, JP1 to JP3, and plugging a header into P1 with the required connections wired on it (see figure 1). Details of how to configure these jumpers and the header are given in section 8 and examples in section 9.

5.1 TRAM networks

Using the link connections already made between the TRAMs by the pipeline on the IMS B008 and additional link connections softwired by configuring the IMS C004 many different networks can be set up. The choice of network is dependent on the application. Two example networks are illustrated in figures 5 and 6, these examples are used again to illustrate how to configure the IMS B008 in section 9. In some cases the link connections made by the pipeline on the board may not map onto the desired network without making connections that are not required by the network. In this case these extra connections can be ignored. An example of this could be a binary tree network.

Square network Square network

Figure 5: Square network

Cube network Cube network

Figure 6: Cube network

5.2 The IMS C004

The IMS C004 link switch that is used on the IMS B008 to switch links is described in detail in The Transputer Databook [8] but will be described briefly here. The IMS C004 has 32 link ports, between which connections can be made. These connections are made by the IMS C004 when a message instructing it to make a connection is received on the additional link called ConfigLink. These messages have a simple format which tells the IMS C004, for instance, to ”connect link a to link b” where link a and link b refer to the links of the IMS C004. Details of the IMS C004 configuration messages can be found in appendix H.

These configuration messages are sent to the IMS C004 by the network configuration processor, which is an IMS T222 transputer, connected to the ConfigLink of the IMS C004. This connection is shown in figure 4.

The IMS C004 must be hard reset after power up by pulsing the Reset pin high for the minimum time specified in the datasheet before attempting to send configuration data to it (see section 5.3.1).

5.3 Network configuration processor

The network configuration processor, an 16 bit transputer the IMS T222, is used to route configuration data on the IMS B008. With reference to figure 4, network configuration data is received on link 1, known as ConfigUp of the IMS T222 (referred to as the T2 for brevity) either from a TRAM in slot 0 or from another board’s network configuration processor if the board is in a pipeline of boards. This pipeline of network configuration processors is made in a similar way to a pipeline of TRAMS on multiple boards. The link ConfigDown on the first board in the configuration pipeline connects to ConfigUp on the next board and so on down the pipeline (see figure 7).

A configuration pipeline A configuration pipeline

Figure 7: A configuration pipeline

Software running on the T2 examines the configuration data for connections to be made by the IMS C004 to which the T2 has a link connection. This connection data is extracted from the configuration data and the connections made by sending a set of messages to the IMS C004 via link 3 of the T2. Configuration data for the boards further down the configuration pipeline is then sent out on link 2 (ConfigDown).

This pipeline arrangement of T2 processors is used on all INMOS motherboards that have IMS C004 link switches on them. Thus arbitrarily large networks of mixed INMOS motherboards can be configured by sending configuration data down a single link, ConfigUp at the head of the configuration pipeline.

5.3.1 C004 reset

The IMS C004 can be reset in two ways, one by asserting the Reset pin causing a ”hard” reset, or by sending a Reset message to the IMS C004 causing a ”soft” reset (see appendix H).

The IMS C004 must be hard reset after power up by pulsing the Reset pin high for the minimum time specified in the datasheet before attempting to send configuration data to it.

The Reset pin of the IMS C004 is controlled by the IMS T222 via a circuit connected to its external memory interface. Any write access to a memory address external to the T2 with the bit 0 of the write data set to one will assert the Reset pin of the IMS C004. Writing a word to an external address with bit 0 set to zero will deassert the Reset pin. A read access to the external address space will cause the state of the IMS C004 Reset pin to be undefined.

This feature allows the IMS C004 to be reset independently of the TRAMs and the PC.

5.4 Affect of the IMS C004 on link bandwidth

Depending upon the type of transputers on the TRAMs at both ends of a link which passes through an IMS C004, the link bandwidth may be lower than for a simple transputer-to-transputer connection.

For instance, two IMS T800s connected directly will give a unidirectional link bandwidth of 1.7 Mbytes/s. However, with one IMS C004 switching that link, the link bandwidth is 1.3 Mbytes/s. With two IMS C004s switching the link, as is the case with some board-to-board links using IMS B008s, the link bandwidth will be 800 Kbytes/s.

5.5 Dynamic Connection Changing

In theory it is possible to change the configuration of the IMS C004s while a program is executing on the TRAM array. This may be useful, for example, in a system which needs a particular network during a data gathering phase but a completely different network during a data processing phase. Although this is possible, it is not easy to organise and should only be attempted by experienced users who have a complete understanding of what needs to be done. For those who still want to proceed, here are some guidelines:

The basic idea is that providing there is no traffic on a link, you can switch the path it takes through an IMS C004. After switching, processing can proceed using the new network. Obviously this requires careful synchronisation between all the programs in all the TRAMs; something which is usually achieved via the links which are being switched.

6 System services

Transputers and therefore TRAMs require three signals to be connected to them to allow them to initialised, debugged, and so that they can signal an error. These signals are Reset for resetting, Analyse to allow debugging, and Error to signal an error on a transputer or TRAM. Note that the Error signal is an output from the transputer. These three signals are collectively known as system services. The system services for a TRAM are treated as a single signal conceptually although they are actually three signals. The system services are generated by the system services port on the IMS B008 PC bus interface, or by a subsystem port on a TRAM. TRAMs with a subsystem port have three extra connections which are made via a row of three sockets on the underside of the TRAM. The IMS B008 has a corresponding row of three sockets underneath the slot 0 position only. To connect the subsystem port on the TRAM to the IMS B008 a strip of three double ended pins is inserted in the sockets in the TRAM and IMS B008. This is covered in appendix A.4.

System services for a TRAM plugged into slot 0 on the IMS B008 can come from one of two sources, Up system services fed from another motherboard, or the Host system services which are controlled by the system services port of the PC bus interface. The system services fed to slot 0 are known as the Down system services and are buffered and connected to pins of P2, the 37 way Dtype connector at the back of the IMS B008. These Down system services can be fed to the Up system services of another motherboard.

TRAMs plugged into slots 1 to 9 on the IMS B008 can be fed with either the same system services as the TRAM in slot 0, the Down system services, or from the system services provided by a subsystem port on the TRAM in slot 0, the Subsystem services. The Subsystem services are buffered and connected to P2 allowing these system services also to be connected to the Up system services port of another motherboard. The sources, destinations, and switching of system services on the IMS B008 is illustrated in figure 8.

System services on the IMS B008 System services on the IMS B008

Figure 8: System services on the IMS B008

This arrangement of system services allows a hierarchy of TRAMs to be set up on the board with the PC controlling the TRAM in slot 0, which in turn can control the TRAMs in slots 1 to 9 if they are connected to the subsystem port of the TRAM in slot 0. This hierarchy can be extended to a hierarchy of boards by connecting other motherboards Up system services port to the Down or Subsystem services connections of the previous board in the hierarchy. Some example hierarchies of system services which can be set up are shown in figure 9.

Examples of hierarchy between TRAMs and between motherboards Examples of hierarchy between TRAMs and between motherboards

Figure 9: Examples of hierarchy between TRAMs and between motherboards

6.1 Driving system services

When controlling the system services signals it should be borne in mind that these signals are delayed by the buffering as they go off a board, and are filtered where they come onto a board again introducing a delay. To ensure that the signals have time to propagate throughout a system of TRAMs and boards allow 100 ms between assertion of a system services signal and assuming that the signal has been asserted at every point in the system to which it is connected.

7 PC bus interface

The PC bus has become a de-facto standard after appearing in the IBM PC4. IBM PC clone manufactures produce PCs with a bus compatible with either the PC or PC/AT bus . In addition a number of other machines that are not clones of IBM PCs also use the PC bus as this allows these machines to use the very large range of boards that have become available for the bus. The IMS B008 has been designed to work when plugged into either a PC/AT bus slot or a PC bus slot, but the number of options for the interrupt and Direct Memory Access (DMA) channels are reduced when plugged into a PC bus slot.

The bus interface on the IMS B008 has four functions to perform:

  1. Convert the 8 bit parallel transfers on the PC bus to serial INMOS link transfers, and vice versa.
  2. Provide a system services port.
  3. Control DMA transfers.
  4. Generate interrupts on events on the link interface, when transputer error has been asserted, or on DMA transfer end.

A block diagram of the PC bus interface is given in figure 10

PC bus interface block diagram PC bus interface block diagram

Figure 10: PC bus interface block diagram

To allow control of these functions from software running on the PC the PC bus interface has a number of registers which are mapped into the I/O address space of the PC bus, which is separate from the memory address space. These registers are located within a thirty two byte long block of I/O addresses decoded by the IMS B008. This thirty two byte block can have a base address of #150, #200, or #3005 set by option switches. A memory map of the registers is given in table 1. Note only nine of the thirty two locations have registers mapped into them. Writing to the remainder of the I/O locations will have no effect and reading these locations will result in un-defined data being returned. The IMS B008 is however still driving the bus when these addresses are read, this means that other boards on the PC bus must be configured so that the I/O addresses they respond to do not overlap this block of thirty two addresses.

Details of how these functions are performed and how they are controlled from these registers are given in the sections following.

All transfers across the PC bus to the bus interface on the IMS B008 are performed as byte transfers. The beard does net support 16 bit I/O transfers en the PC/AT bus.

The PC bus interface can also be disabled, again by setting option switches, in which case the IMS B008 does net respond to or drive any of the signals on the bus except for the PC bus reset signal (see section 7.8).



Addresses Register


Board base address + #00Link adapter input data register
Board base address + #01Link adapter output data register
Board base address + #02Link adapter input status register
Board base address + #03Link adapter output status register
Board base address + #10Reset/Error register
Board base address + #11Analyse register
Board base address + #12DMA request register
Board base address + #13Interrupt enable register
Board base address + #14DMA and interrupt channel select register



Table 1: PC bus interface registers memory map

7.1 Link interface

An IMS C012 link adapter is used as the basis of the link interface en the IMS B008. Detailed information en this device can be found in [7]. This device performs the parallel data to serial INMOS link conversions in both directions in a similar fashion to a UART device used en an RS232 interface. The link coming from the link adapter is labelled C012Link in figure 10.

The IMS C012 has four registers which can be written to or read by the PC bus.

The link adapter registers function as follows:

Input Data Register
holds the last data byte received from the C012Link. It only contains valid data while the data present flag is set in the input status register. It can net be assumed to contain valid data after it has been read; a double read may or may net return valid data en the second read. If the data present flag in the input status register is valid en a subsequent read it indicates new data is in the buffer. Writing to this register will have no effect.
Input Status Register
This register contains the data present flag (bit 0, the least significant bit) and the input interrupt enable control bit (bit 1, the second least significant bit). The data present flag is set to indicate that a data byte in the input data register is valid. It is reset only when the input data register is read, or by a link reset condition (see section 7.6) which will also reset the input interrupt enable control bit.

When writing to this register, the data present flag and the unused bits 27 must be written as zero bits. Note the input interrupt enable bit does net directly control the enabling of interrupts to the PC. The input interrupt enable bit and the data present are ”anded” together to produce a signal labelled InputInt in figure 10. This is used to signal to the interrupt and DMA control logic that a valid data byte is present in the link adapter input data register. The effect of this signal being asserted is dependent on the values written into the interrupt and DMA control registers.

Output Data Register
Data written to this register is transmitted out of the C012Link Data must only be written to this register when the output ready bit in the output status register is set, otherwise data already being transmitted may be corrupted. Reading this register results in undefined data.
Output Status Register
This register contains the output ready flag (bit 0, the least significant bit) and the output interrupt enable control bit (bit 1, the second least significant bit). The output ready flag is set to indicate that the data output buffer is empty. It is reset only when data is written to the output data register; it is set by a link reset condition (see 7.6) which also resets the output interrupt enable control bit.

When writing to this register, the output ready flag and the unused bits 27 must be written as zero bits. The output interrupt enable bit can be set and reset by writing to the input status register (note that the output ready flag must be written as a zero).

Again note the output interrupt enable bit does no directly control the enabling of interrupts to the PC. The output interrupt enable bit and the output ready flag are anded together to produce a signal labelled OutputInt in figure 10. This is used to signal to the interrupt and DMA control logic that the output data buffer in the link adapter is empty. The effect of this signal being asserted is dependent on the values written into the interrupt and DMA control registers.

Interrupts are explained in section 7.3.

A byte input from the C012Link proceeds as follows:
A data byte received on the C012Link is transferred into the input data register and the data present flag set in the input status register. If interrupts are enabled, a link data input interrupt is generated. A processor controlling the PC bus will, either in response to the interrupt or in a polling loop, examine the input status register. The data present flag will be set, signifying valid data in the input data register. The processor then reads the data byte.

If a DMA transfer from the IMS B008 to the PC memory has been set up then the DMA logic in the PC and the control logic on the board will transfer the data byte from the input data register to PC memory without involving the processor.

A new data byte can now be received and the process repeats.

A byte out to the C012Link proceeds as follows:
When the output data register is empty the output ready flag will be set in the output status register. If interrupts are enabled for this event then an interrupt will be generated. The processor, either after receiving an interrupt or in a polling loop, reads the output status register. It will determine from the output ready flag that a byte may be written to the output data register. It then writes the byte to the output data register. The byte is transmitted on the C012Link output. When the link adapter is next able to transmit a byte the output ready flag will be set again.

If a DMA transfer from PC memory to the IMS B008 has been set up then the DMA logic in the PC and the control logic on the board will transfer the data byte from PC memory to the output data register without intervention from the processor.

7.2 Host system services

A port is provided by the PC bus interface to allow software on the PC to provide ”system services” to transputers connected to the IMS B008, either as TRAMs plugged into the board or transputers on other boards. The port appears as two registers in the I/O map of the PC and functions as follows:

Reset/Error register
Bit 0 of this register controls the state of the HostReset signal. Writing a one to this bit asserts the HostReset signal causing a reset on connected transputers. Writing a zero to the bit de-asserts HostReset. Note the HostReset pulse width must be a minimum of 100 ms as illustrated in figure 11. Bit 0 is cleared by the PC bus reset signal.

Reading from this register returns the state of the notHostError signal in bit 0. This bit is zero when the notHostError signal is asserted (showing that an error has occurred).

Data written into bits 1 - 7 of this register has no effect, the data read from these bits will be un-defined.

Analyse register
Bit 0 of this register controls the state of the HostAnalyse signal, writing a one to this bit asserts the HostAnalyse signal. Writing a zero to this bit de-asserts HostAnalyse. Bit 0 is cleared by the PC bus reset signal. HostAnalyse is used, in conjunction with HostReset, to stop a transputer connected to these signals. It allows the internal state of the transputer to be examined so that the cause of an error may be determined. HostReset and HostAnalyse are used as shown in figure 12. A processor in analyse mode can be interrogated on any of its links.

Data written into bits 1 - 7 of this register has no effect. A read from this register will result in un-defined data being read.

Reset timing Reset timing

Figure 11: Reset timing

Analyse timing Analyse timing

Figure 12: Analyse timing

7.3 Interrupts

The IMS B008 can generate an interrupt en the PC bus when one of the following events occurs:

Generation of interrupts en each of these events is controlled by four bits in a register, the interrupt enable register. Bits 0 - 3 of this register are used to mask (disable) or enable interrupts for each event. Setting a bit to one in the register enables interrupts en the event corresponding to that bit. A table of these bits is given in table 2. The contents of bits 0 - 3 can be read from the register. Data written into bits 4 - 7 will have no effect and a read from this register will result in un-defined data in these bits.

The interrupt channel used by the IMS B008 to request an interrupt is selected by two bits in the DMA and interrupt channel select register (see section 7.5).

Note that when all the interrupt enable bits are zero the driver for the interrupt request line selected is turned off (tristated ), leaving the interrupt request line floating, resulting in a undefined logic input to that input of the interrupt controller in the PC. It is therefore essential that the relevant input of the interrupt controller is disabled before the bottom four bits in the interrupt enable register are cleared to zero. Similarly when enabling interrupts the driver en the IMS B008 must be turned en, by setting one of the bottom four bits of the interrupt enable register to a one, before the channel of the interrupt controller is enabled. Failure to observe this sequence of operations may result in spurious interrupts as the floating request line may pass through the low to high logic threshold of the input to the interrupt controller.



Bit No.Corresponding event


0 DMA end interrupt enable
1 Error interrupt enable
2 Link output interrupt enable ( OutputInt asserted )
3 Link input interrupt enable ( InputInt asserted )



Table 2: Interrupt enable register bit functions

Bits 0 - 3 of the interrupt enable register are cleared to zero when the PC bus reset signal is asserted. This results in the all the interrupt channel drivers en the IMS B008 being tristated, avoiding conflicts with ether beards en the PC bus after power up and before the DMA and interrupt channel select register has been set up.

Interrupts en the PC bus are edge triggered which means that an interrupt is generated each time the interrupt request line en the bus makes a transition from de-asserted to asserted. This should be borne in mind when writing software using interrupts. For an interrupt request to interrupt the processor in the PC the interrupt request input must correctly set up at the interrupt controller. In most PCs this controller is an INTEL 8259A, but this may net be the case for workstations using a PC bus. It is necessary to read in detail about the interrupt system en your PC or workstation before attempting to write software using interrupts.

Further details en interrupts applicable to the IBM PC, IBM PC/AT, and clones are given in [6], [5], and [10]

7.4 DMA control

The PC bus interface en the IMS B008 supports DMA transfers between the PC memory and the link adapter data registers only. DMA cannot be used to transfer data to or from any ether register in the PC bus interface.

The PC bus has a number of DMA channels available and the one the IMS B008 will use is selected by two bits in the DMA and interrupt channel select register. To perform a DMA transfer the registers of the DMA controller, in the PC, corresponding to the channel selected need to be set up to enable DMA transfers. Details of the DMA controller used in the IBM PC, PC/AT, and clones can be found in [11], [6], and [5]. To initiate the transfer a write operation to the DMA request register en the IMS B008 is performed. Bit 0 of the byte written into this register determines the direction of transfer that the IMS B008 is set up for according to table 3, which must be the same as the direction programmed into the DMA controller.



Bit 0Transfer direction


0 From PC memory to the link adapter output data register
1 From the link adapter input data register to PC memory



Table 3: Direction of DMA transfer set up by a write to the DMA request register

The data written to bits 1 - 7 of this register will have no effect and a byte read from the register will contain undefined data.

Writing into the DMA request register sets a latch within the IMS B008 PC bus interface to indicate that a DMA transfer has been requested. DMA requests will then be generated whenever the OutputInt signal is asserted in the case of a PC memory to link adapter output data register transfer, or whenever InputInt is asserted in the case of transfers in the ether direction. Since the OutputInt and InputInt signals from the IMS C012 are used to generate the DMA requests it must be ensured that the input interrupt enable bit in the input status register and/or the output interrupt enable bit in the output status register are set to one to enable these outputs (see section 7.1).

DMA transfers will continue to be requested until the TC signal en the PC bus is active at the same time as the DMA acknowledge signal for the DMA channel being used. TC is asserted when the transfer byte count in the DMA controller gees to zero. At this point the DMA request latch will be reset and the end of DMA latch set if the DMA end interrupt enable bit is set to a one in the interrupt enable register. If the DMA end interrupt enable bit is set to a one then an interrupt request will be generated at this point. The interrupt is cleared and the end of DMA latch reset when the DMA end interrupt enable bit is cleared to zero.

7.5 DMA and interrupt channel selection

Selection of the DMA and interrupt channels to be used by the IMS B008 is performed by programming four bits in the DMA and interrupt channel select register. These bits select the DMA and interrupt channel request, IRQ and DRQ, lines that will be driven by the IMS B008 according to the tables 4, 5, and 6. Data written to bits 4 - 7 of this register has no effect and will be read back as undefined. The data written into bits 0 - 3 can be read back from the register.

Bits 0 - 3 are reset to zero when the PC bus reset signal is asserted. This ensures that no DMA channel request lines are driven en power up avoiding conflicts with the DMA channel drivers en ether beards en the PC bus.

It should be noted that when the IMS B008 is plugged into a PC bus as opposed to an PC/AT bus then interrupt channels 11 and 15 and DMA channel 0 cannot be used as these are only present en the AT bus (see section 8.3).



Bit No.Function


0 IRQ channel select bit least significant bit
1 IRQ channel select bit most significant bit
2 DMA channel select bit least significant bit
3 DMA channel select bit most significant bit



Table 4: DMA and interrupt channel select register bit functions

The IRQ and DMA select bits are encoded as follows:




Bit 1Bit 0IRQ channel selected



0 0 3
0 1 5
1 0 11
1 1 15




Table 5: IRQ channel selections




Bit 3Bit 2DMA channel selected



0 0 0
0 1 1
1 0 DMA disabled
1 1 3




Table 6: DMA channel selections

7.6 PC bus reset and reset to the IMS C012

The PC bus has a signal RESET DRV which is asserted when the PC is reset. This signal is used to reset the PC bus interface en the IMS B008, but this signal does net reset the IMS C012 or the TRAMs (see section 6).

The results of RESET DRV going active have been given in the sections above but will be summarised here. Table 7 shows the conditions associated with each register after RESET DRV has been asserted.




Address Register Conditions after
RESET DRV asserted



Base + #10 Reset/Error HostReset deasserted
Base + #11 Analyse HostAnalyse deasserted
Base + #12 DMA request DMA request latch reset
Base + #13 Interrupt enable All interrupts disabled,
driver tristated
Base + #14DMA and interruptIRQ 3 selected, DMA disabled
channel select




Table 7: IBM PC bus interface register reset conditions

The IMS C012 is reset when the DownReset signal is asserted (see section 6). When the link adapter is reset the contents of the input data register is undefined and the data present flag and the input interrupt enable bit are reset in the input status register. This reset also sets the output ready flag and resets the output interrupt enable control bit in the output status register. The reason for the DownReset signal being used to reset the IMS C012 is that this ensures that the devices at both ends of the C012Link are reset at the same time.

7.7 Programming the IMS B008 PC bus interface

To be able to write programs to drive the IMS B008 using anything other than a simple polled I/O scheme requires a knowledge of the operation of interrupts and DMA on the PC, or workstation, for which the software is to be written. Details for the IBM PC, PC/AT, and clones can be found in [6], [5], [10], and [11]. In the case of a workstation refer to the manuals for the particular machine you are working with.

Example code fragments in C to show how the PC bus interface on the IMS B008 could be programmed are given below.

C define statements for board register addresses:

  #define BOARD_BASE 0x150  
  #define DATA_IN           BOARD_BASE  
  #define DATA_OUT        ( BOARD_BASE + 0x1 )  
  #define STATUS_IN       ( BOARD_BASE + 0x2 )  
  #define STATUS_OUT      ( BOARD_BASE + 0x3 )  
  #define RESET           ( BOARD_BASE + 0x10 )  
  #define ERROR           ( BOARD_BASE + 0x10 )  
  #define ANALYSE         ( BOARD_BASE + 0x11 )  
  #define DMA_REQUEST     ( BOARD_BASE + 0x12 )  
  #define INT_ENABLE      ( BOARD_BASE + 0x13 )  
  #define INT_DMA_CHANNEL ( BOARD_BASE + 0x14 )

C fragments giving some examples of programming the PC bus interface:

  /* some example setup routines */  
 
  void enable_out_ints( void )  
  {  
      outportb( INT_ENABLE, inportb( INT_ENABLE ) | 0x04 );  
  }  
 
  void enable_in_ints( void )  
  {  
      outportb( INT_ENABLE, inportb( INT_ENABLE ) | 0x08 );  
  }  
 
  void enable_error_ints( void )  
  {  
      outportb( INT_ENABLE, inportb( INT_ENABLE ) | 0x02 );  
  }  
 
  void disable_out_ints( void )  
  {  
      outportb( INT_ENABLE, inportb( INT_ENABLE ) & 0xfb );  
  }  
 
  void disable_in_ints( void )  
  {  
      outportb( INT_ENABLE, inportb( INT_ENABLE ) & 0xf7 );  
  }  
 
  void disable_error_ints( void )  
  {  
      outportb( INT_ENABLE, inportb( INT_ENABLE ) & 0xfd );  
  }  
 
  /* polled link I/O procedures */  
 
  char read_link( void )  
  {  
      while (( inportb( STATUS_IN ) & 1 ) != 1 );  
      return( inportb( DATA_IN )) ;  
  }  
 
  void write_link( char byte )  
  {  
      while (( inportb( STATUS_OUT ) & 1 ) != 1 );  
      outportb( DATA_OUT, byte );  
  }

7.8 Operating the IMS B008 with the PC bus interface disabled

By setting both the option switches SW1:1 and SW1:2 to ON (see section 8) the PC bus interface of the IMS B008 is disabled. This is useful when the IMS B008 is connected to another board, for instance it is the second of two IMS B008 connected in cascade. All the ”system services” signals, Reset, Analyse, and notError should be connected to the other board as explained in section 6.

Note that an IMS B008 operated with the PC bus disabled still requires the RESET DRV signal on the PC bus to be asserted at power up to ensure that the DRQ and IRQ signal drivers are in the tristated condition.

If the IMS B008 is plugged into a passive connector supplying power only then the RESET DRV signal input must be held low for correct operation of the rest of the board. In this case no connections should be made to any of the other bus signals to the IMS B008. The IMS C004 link switch will have to be reset using the link configuration processor (see section 5.3.1).

8 Configuration

The purpose of this section is to detail all the configuration options available to the user.

User configurable options are set by the jumpers, JP1 to JP3, by a patch header inserted into P1, by the bank of eight dip switches making up SW1 and by programming the DMA and interrupt channel select register. The channel select register is covered in detail in section 7.5 and will not be covered here.

The positions of the jumpers, patch header, and the option switches are shown in figure 13

Location of the jumpers, patch header socket, and option switches on the
IMS B008 Location of the jumpers, patch header socket, and option
switches on the IMS B008

Figure 13: Location of the jumpers, patch header socket, and option switches on the IMS B008

Before starting to configure the IMS B008 the user should have answered the following questions so as to be able to choose which of the configuration options are to selected.

Is the PC bus interface going to be enabled, if so what is the base address to be set to ?

Are interrupts going to be used, if so on which channel ?

Are DMA transfers going to be used and again if so on which channel ?

What will be the source of the slot 0 system services ?

What will be the source of the slot 0 - 9 system services ?

Will one of the two link jumper settings be used, or will the patch header be used instead ?

What link speeds will be used ?

This section seeks to help by pointing the user towards finding the information he/she needs to obtain to make these choices.

8.1 Investigating your PCs configuration

If the IMS B008 is going to be used with the PC bus interface enabled then the configuration of the PC into which the board is to be installed needs to be known. This involves investigating the resources used in terms of I/O address space, interrupt channels, and DMA channels used by the PC’s system board and the other boards plugged into the PC bus. It must be ensured that the IMS B008 does not overlap an I/O address space used by another board, or attempts to use an interrupt or DMA channel being driven by any other board.

Information on the configuration of your PC can be found in the manuals for the PC, in the manuals for each of boards plugged into the PC bus, and by looking at these boards to determine the options actually selected on them.

8.2 PC bus enable/disable and base address

The decision as to whether to enable or disable the PC bus interface is dependent on the use of the C012Link. If this is to be used the bus interface must be enabled otherwise it should be disabled.

If the bus interface is enabled a decision must be taken as to the setting of the base address. In order to make this choice it is necessary to find out which -I/O addresses the other boards plugged into the PC bus respond to. Having collated the addresses for the other cards choose one of the base addresses for the IMS B008 such that the block of 32 I/O addresses to which the board responds does not overlap those used by any other board. If this is not possible it may be necessary to reconfigure some or all of the other boards in the PC to enable this criteria to be met.

The disabling of the PC bus interface and the setting of the base address of the IMS B008 are selected using SW1:1 and SW1:2, where SW1:1 means SW1 bit 1, according to table 8.




SW1:1SW1:2Board base address



ON ON PC bus interface disabled
ON OFF #150
OFF ON #200
OFF OFF #300




Table 8: Board base address and PC bus interface disable selections

8.3 DMA and Interrupt channel selections

If the PC bus interface is to be disabled this selection does net have to be considered of course. Otherwise the first choice is whether interrupts and/or DMA are to be used when interfacing software to the IMS B008. This will depend on the software to be used. The IMS B008 is supported by INMOS software on a number of PC bus based hosts. Information on this software can be found in the iQ Systems Databook [12]. These software packages are supplied with manuals in which the options of using interrupts and DMA are discussed.

If the software to be used is to be written by the user then issues such as transfer speed and the operating system of the machine need to be considered in writing a driver for the IMS B008. These issues are touched en in section 3. Details of how to programme the IMS B008 to use DMA and interrupts channels are covered in sections 7.3, 7.4, and 7.5.

Again the choice of interrupt or DMA channel to be used may well be dictated by the boards that are already in the PC. Note that it some cases it may net be possible to use interrupts and/or DMA with the IMS B008 as the number of channels en the PC bus is limited and they may all be in use by ether boards.

Having determined the channel(s) to be used the software will need to be configured to use these. See the software manuals for details of how to de this. Normally this software will then write into the DMA and Interrupt channel selection register to set the IMS B008 to use these channels. If software needs to be used that was written for elder versions of the IMS B008 en which the DMA and interrupt channels were selected using DIP switches then a small programme will need to be run first to set up the DMA and Interrupt channel selection register (see section J).

Note that the possible selections of DMA and interrupt channels that can be used are reduced when the IMS B008 is plugged into a PC as opposed to an AT bus slot. The possible interrupt and DMA channel selections for the IMS B008 when it is plugged into a PC bus slot or an AT bus slot are tabulated in table 9.





Bus slot typeInterrupt channelsDMA channels




PC bus 3 and 5 1 and 3 a
PC/AT bus 3, 5, 11, and 15 0, 1, and 3




Table 9: DMA and interrupt channel selections on the two types of PC bus

8.4 System services selections

The options for the system services signals fed to slot 0 and to slots 1 to 9 were covered in section 6. Choice of the system services scheme to be used will depend en the application. The INMOS board support software packages and development tools may impose a particular scheme. Consult the manuals that come with these software packages for details.

The system services options are controlled by two DIP switches, SW1:3 and SW1:4 according to tables 11 and 8.3.



SW1:3TRAM slot 0 and DOWN system services


ON From Up system services
OFF From Host system services



Table 10: Selections for slot 0 and Down system services



SW1:4 TRAM slots 1 - 9 system services


ON From TRAM in slot 0 Subsystem services
OFF From Down system services



Table 11: System services selections for slots 1 to 9

8.5 Link wiring options

Connections for the C012Link, two links from slot 0, two links from the T2, two links from the IMS C004, and the two patch links from P2 are determined by the jumpers JP1 and JP2 or by the patch header wiring. The figures 14 and 15 show the connections that installing jumper sockets on JP1 or JP2 make. When jumper sockets are present en the pins of JP3 then the pipeline connection between slots 3 and 4 is made. Appendix E shows how the jumper sockets should be fitted to the jumper pins.

If one of the set of link connections made by JP1 or JP2 is not the desired configuration then the jumper sockets en JP1 to JP3 should be removed and a wired patch header plugged into P1. The pinout of this socket is given in figure 16. This patch header allows any of the links connected to P1 to be connected to any ether. For instance the IMS B008 can be used as a link adapter beard for the PC by bringing the C012Link out to P2. This can be achieved by wiring C012Link to PatchLink1 as shown in table 12. Note that for the patch links only, the LinkIn of another link to be connected to a patch link is connected to PatchLinkIn and LinkOut to PatchLinkOut. For any other link on the patch header LinkIn of one link should be connected to LinkOut of the ether link and vice versa.




From pin No.To pin No.Signals connected



1 18 C012LinkIn and PatchLinkIn1
2 17 C012LinkOut and PatchLinkOut1




Table 12: Example patch header wiring to connect C012Link directly to P2

Link connections made when jumpers are installed on JP1 and JP3 Link
connections made when jumpers are installed on JP1 and JP3

Figure 14: Link connections made when jumpers are installed on JP1 and JP3

Pinout of the patch header socket, P1 Pinout of the patch header socket,
P1

Figure 15: Pinout of the patch header socket, P1

Link connections made when jumpers are installed on JP2 and JP3. Link
connections made when jumpers are installed on JP2 and JP3.

Figure 16: Link connections made when jumpers are installed on JP2 and JP3.

8.6 Link speed selections

Link speed selections are controlled by the switches SW1:5 to SW1:8. Switches SW1:5 and SW1:6 control the LinkSpeedB and LinkSpeedA pins respectively on the TRAM slots. With the range of INMOS TRAMS these switches give the link speeds shown in table 13. SW1:6 also controls the link speeds of the IMS C012, the IMS C004, and in conjunction with SW1:7 and SW1:8 the link speeds of the IMS T222. These link speed selections are shown in tables 14. Note for a link to operate between two devices the same bit rate must be set at both ends. Not all combinations of the four link speed switches will result in a set of link speeds which will allow the IMS B008 to operate correctly.






SW1:5SW1:6Link 0 speedLinks 1 - 3 speed





ON ON 10 Mbits/s 10 Mbits/s
OFF ON 10 Mbits/s 20 Mbits/s a
ON OFF 20 Mbits/s 10 Mbits/s b
OFF OFF 20 Mbits/s 20 Mbits/s





Table 13: TRAM link speed selections








SW1:6SW1:7SW1:8C012 and T2 T2
C004 Link0 Link123







ON ON ON 10 Mbits/s10 Mbits/s10 Mbits/s
ON ON OFF 10 Mbits/s 5 Mbits/s 10 Mbits/s
ON OFF ON 10 Mbits/s10 Mbits/s10 Mbits/s
ON OFF OFF 10 Mbits/s20 Mbits/s10 Mbits/s
OFF ON ON 20 Mbits/s10 Mbits/s 5 Mbits/s a
OFF ON OFF 20 Mbits/s 5 Mbits/s 5 Mbits/s a
OFF OFF ON 20 Mbits/s10 Mbits/s20 Mbits/s
OFF OFF OFF 20 Mbits/s20 Mbits/s20 Mbits/s







Table 14: IMS C012, IMS C004, and IMS T222 link speed selections

9 Example setups

The purpose of this section is to give examples of a IMS B008 configured in three different ways to illustrate some of the points made in the the other sections of this document.

The first example is a an IMS B008 set up with a single TRAM. This is a common configuration for users wishing to check the installation of the IMS B008 and to start running transputer software.

Example two shows a network set up on a single IMS B008, in this case a square. The configuration of the hardware is covered and the Module Motherboard Software is briefly introduced including the setting up of softwires and hardwires information for this network.

The final example is of a cube set up on two IMS B008 boards.

9.1 Example 1 : Configuring an IMS B008 with a single TRAM

Before installing the IMS B008 in the PC two operations must be carried out; first the TRAM must be installed on the IMS B008, and the IMS B008 itself will need to be configured for this application. In this example an IMS B404 will be used as an example of a TRAM.

First follow the instructions on how to handle the IMS B008 and install a TRAM. These are covered in section A and will not be covered here. The most sensible slot into which to plug a single TRAM on an IMS B008 is slot 0. It is also a good idea to install the subsystem pins into the bottom of the TRAM before plugging it into the IMS B008, if the TRAM has subsystem capability (see section 6). This will save installing them later should it be desired to use this single TRAM to control a network of TRAMs, such as in the next example. When plugging in the TRAM be sure that the orientation is correct as a mistake can cause damage to both the TRAM and the IMS B008.

Next the IMS B008 needs to be configured for this application. Let us say that we have determined that the only other board in the PC/AT we are using is configured to respond to I/O addresses in the range #300 to #31 F and uses interrupt channel 3 and DMA channel 3. The IMS B008 can be configured to a base address of #150 by setting switches SW1:1 to on and SW1:2 to off. The DMA and interrupt channel select register can be programmed to select interrupt channel 5 and DMA channel 0 after the PC has been powered up without clashing with the other board. As mentioned in section 7.5, this register will either be set up by the driver software for the IMS B008 or by a small initialisation programme.

The other options will need to be set as follows:

Link wiring options
Since we will want to communicate with the TRAM in slot 0, the C012Link will need to be connected to the TRAM. This can be done by putting six jumpers onto the pins marked JP1, as shown in figure 17, which will connect Link 0 of the TRAM to C012Link. Connections are also made between Link 1 of the TRAM and the T2, and between Link 0 of the T2 and Link 28 of the IMS C004.
Link speeds
Since the only link being used is between the link adapter and the TRAM and this is over a short distance then the link speed can be set to 20 Mbit/s. This is done by setting SW1:5 to SW1:8 to off. Note that for simple networks set up on one or two IMS B008s in a PC all link speeds can set to 20 Mbits/sec. The other link speeds are only used in special applications such as connecting links using fibre optics where the maximum speed that can be achieved easily is 5 or 10 Mbits/s.
System services
To enable software on the PC to control the TRAM on the IMS B008 the system services from the TRAM should be set to come from the Host system services by setting switch SW1:3 to off. The other system services switch SW1:4 does not need to be set as there are no TRAMs in slots 1 to 9.

Figure 17 shows how the IMS B008 will look when it has been configured.

IMS B008 configured for a single IMS B404 TRAM in slot 0 IMS B008
configured for a single IMS B404 TRAM in slot 0

Figure 17: IMS B008 configured for a single IMS B404 TRAM in slot 0

9.2 Module Motherboard Software (MMS)

Before going onto the next example a standard piece of INMOS software, the MMS, is introduced as one way of configuring the IMS C004 link switches on the IMS B008 and other INMOS motherboards. The MMS is used in these examples as a way of specifying the softwired link connections in the networks. No details will be given here as to how this software is installed or run as this can vary with different host environments and different development tools. All that needs to be grasped here is an understanding of how the MMS works and determines the configuration information to send to the IMS C004s on a motherboard or boards.

The MMS gains knowledge on the particular boards that are to be configured from the hardwires information given to it. This information includes what is called a sizes section which contains details of how many T2 network configuration processors are on a board, how many IMS C004s, how many slots, and how many edge links (link connections going off the board) . The rest of the information is about the fixed connections on the board, the hardwires which include any link wiring options that have been configured. The sizes and hardwires sections together form a definition of a board which is given a name. Several of these definitions would be used to define the set of boards to be configured. The final part of the information tells the MMS the order of the boards when they have been connected in a configuration pipeline. Note that this pipeline has nothing to do with any pipelines of TRAMs that may be set up by the boards. All this information together, the board definitions and the PIPE statement are called the hardwires information. Examples are given below and the hardwires information for a single IMS B008 is given in appendix G.

The desired softwired link connections through the IMS C004 on each board are given to the MMS by lines of softwire information. These are grouped into those for each board identified by the keyword PIPE X where X is the position of the board in the configuration pipeline, numbering the first board in the pipeline as 0. Example softwire information is given in the examples below.

From the hardwires and softwires information the MMS software can boot up the T2 transputers on each board and determine what configuration information to send down the configuration pipeline. As the information gets to each T2 it extracts the configuration for the IMS C004 to which it is connected and passes on the information to the next T2 in the pipeline. Note that the MMS does not know about, check, or care about link connections made between the boards via the edge links.

The MMS is documented in the manuals that come with the software, and where details can also be found on how the softwires and hardwires information is passed to the MMS.

Note that using the MMS is not the only method of configuring the IMS C004s on INMOS motherboards. Software can be written to do this which will set up a particular set of connections, or which performs dynamic link switching as mentioned in section 5.5.

9.3 Example 2 : Setting up a square network on the IMS B008

This example will show how to set up the square network shown in figure 18 using four IMS B404 TRAMs controlled by a IMS B404 in slot 0.

Square network Square network

Figure 18: Square network

Assuming that the IMS B404 is already installed in slot 0 with the subsystem pins in place beneath it, as described in the first example, the rest of the TRAMs can be plugged into slots 1, 2, 3, and 8. The TRAM in slot 8 will need to have the spacer strips on its pins left on so that the the underside of the TRAM clears the components under slot 9. Pipe jumpers need to be inserted into slots 4, 5, 6, and 7 to connect the pipeline through to slot 8. This is achieved by plugging the pipejumpers into the socket pins of the TRAMs covering these slots.

The configuration options are the same as the first example except that the system services for the TRAMs in slots 1 to 3 need to come from the subsystem port of slot 0 since the IMS B404 in slot 0 is to control the square. To do this SW1:4 must be set to on.

The configuration of the PC bus interface will be left the same as in the previous example.

Jumper JP3 must also have two jumpers placed over its pins to complete the pipeline between slots 3 and 4.

The IMS B008 will look like figure 19 when it has been configured.

Configuration of a IMS B008 for a square network Configuration of a
IMS B008 for a square network

Figure 19: Configuration of a IMS B008 for a square network

To set up the square network the four links connecting the four TRAMs need to be made. Three of these and the connection to the controlling TRAM are made by the pipeline connections on the board. The fourth link to complete the square must be made using a softwire connection. To do this a hardwires description of the configured IMS B008 and the required softwire must be passed to the MMS software. This information, in the hardwires and softwires description languages as defined in the MMS documentation.

Softwires information to complete the square network:

  SOFTWIRE  
    PIPE 0  
      SLOT 1, LINK 3 TO SLOT 8, LINK 0  
  END

Hardwires information for IMS B008 configured for example 2:

  -- B008 hardwire description  
  DEF B008  
    SIZES  
      T2 1  
      C4 1  
      SLOT 10  
      EDGE 10  
    END  
    T2CHAIN  
      T2 0, LINK 3 C4 0  
    END  
    HARDWIRE  
      SLOT 0,LINK 2 TO SLOT 1,LINK 1  
      SLOT 1,LINK 2 TO SLOT 2,LINK 1  
      SLOT 2,LINK 2 TO SLOT 3,LINK 1  
      SLOT 3,LINK 2 TO SLOT 4,LINK 1  
      SLOT 4,LINK 2 TO SLOT 5,LINK 1  
      SLOT 5,LINK 2 TO SLOT 6,LINK 1  
      SLOT 6,LINK 2 TO SLOT 7,LINK 1  
      SLOT 7,LINK 2 TO SLOT 8,LINK 1  
      SLOT 8,LINK 2 TO SLOT 9,LINK 1  
      C4 0,LINK 10 TO SLOT 0,LINK 3  
      C4 0,LINK  1 TO SLOT 1,LINK 0  
      C4 0,LINK 11 TO SLOT 1,LINK 3  
      C4 0,LINK  2 TO SLOT 2,LINK 0  
      C4 0,LINK 12 TO SLOT 2,LINK 3  
      C4 0,LINK  3 TO SLOT 3,LINK 0  
      C4 0,LINK 13 TO SLOT 3,LINK 3  
      C4 0,LINK  4 TO SLOT 4,LINK 0  
      C4 0,LINK 14 TO SLOT 4,LINK 3  
      C4 0,LINK  5 TO SLOT 5,LINK 0  
      C4 0,LINK 15 TO SLOT 5,LINK 3  
      C4 0,LINK  6 TO SLOT 6,LINK 0  
      C4 0,LINK 16 TO SLOT 6,LINK 3  
      C4 0,LINK  7 TO SLOT 7,LINK 0  
      C4 0,LINK 17 TO SLOT 7,LINK 3  
      C4 0,LINK  8 TO SLOT 8,LINK 0  
      C4 0,LINK 18 TO SLOT 8,LINK 3  
      C4 0,LINK  9 TO SLOT 9,LINK 0  
      C4 0,LINK 19 TO SLOT 9,LINK 3  
      C4 0,LINK 20 TO EDGE 0  
      C4 0,LINK 21 TO EDGE 1  
      C4 0,LINK 22 TO EDGE 2  
      C4 0,LINK 23 TO EDGE 3  
      C4 0,LINK 24 TO EDGE 4  
      C4 0,LINK 25 TO EDGE 5  
      C4 0,LINK 26 TO EDGE 6  
      C4 0,LINK 27 TO EDGE 7  
      -- Uncomment the next two lines if the  
      -- patch header wiring is used to  
      -- connect C004, link 28 to PatchLink0,  
      -- and C004, link 29 to PatchLink1.  
      -- C4 0,LINK 28 TO EDGE 8  
      -- C4 0,LINK 29 TO EDGE 9  
    END  
  PIPE B008 END

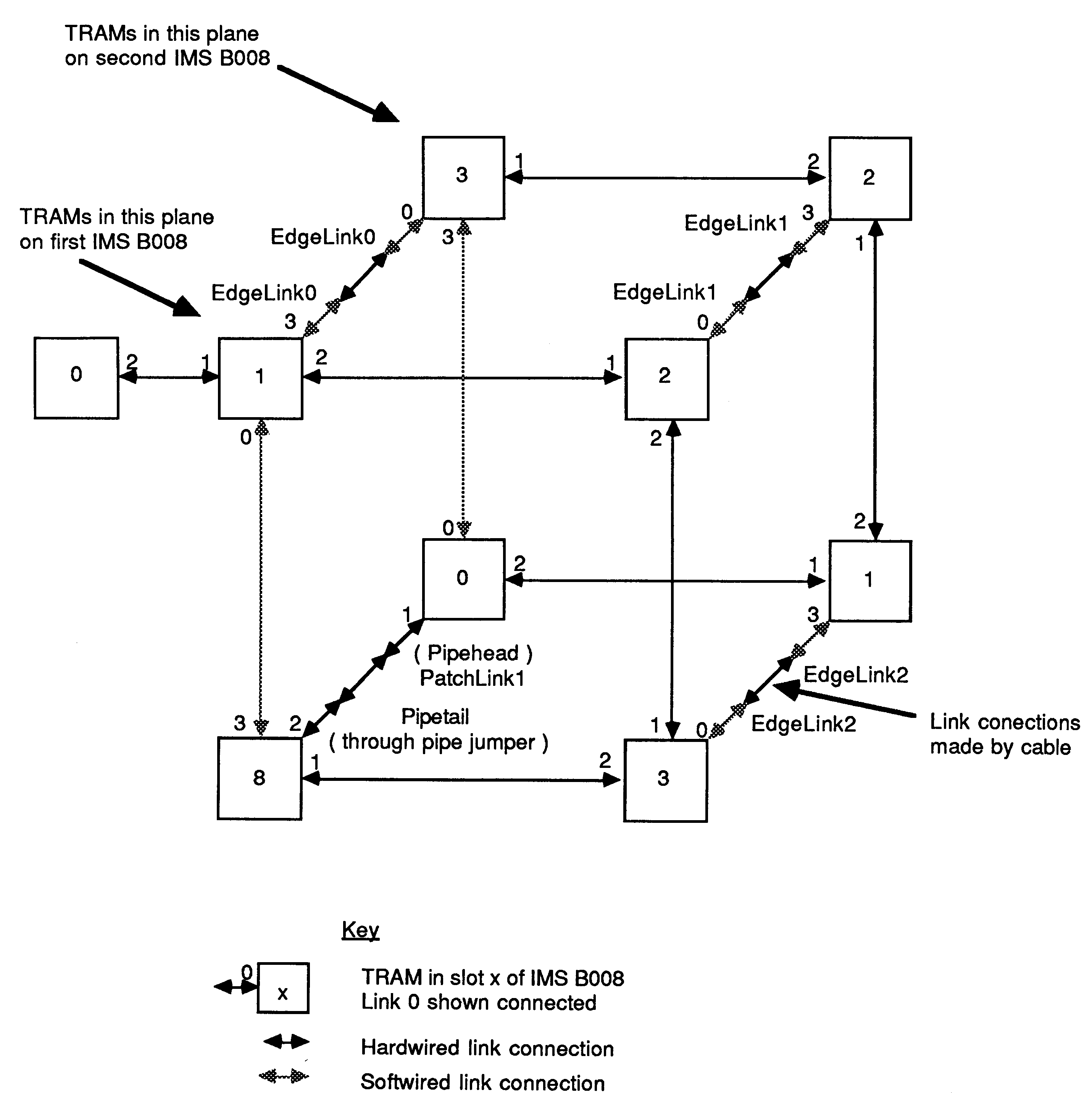
9.4 Example 3 : A cube network set up on two IMS B008 boards

This final example shows how to configure two IMS B008 boards to be used together to support a network of eight TRAMs controlled by a ninth TRAM in slot 0.

IMS B404 TRAMs will be used for the TRAMs at the vertices of the cube, and the controlling TRAM. Figure 20 shows the necessary link connections for the cube and how these are mapped onto the link connections on the two boards.

Cube TRAM network mapped onto two IMS B008 boards Cube TRAM
network mapped onto two IMS B008 boards

Figure 20: Cube TRAM network mapped onto two IMS B008 boards
9.4.1 Configuration of first board

The configuration of the first board is the same as that for the previous example except that an additional pipejumper needs to be plugged into slot 9. This pipejumper connects slot 8 link 2 to pipetail.

9.4.2 Configuration of the second board

The configuration of the second board is quite different to the first and is as follows:

The TRAMs should be plugged into slots 0 to 3. No subsystem pins are needed underneath the TRAM in slot 0 as the subsystem will not be used.

PC bus interface
The PC bus interface on this second IMS B008 is not required and should be disabled by setting both SW1:1 and SW1:2 to on. Note that this second bus interface could be used as a way of increasing the data rate that would be achievable between the PC and the transputer network by providing a second link interface.
Link wiring options
The connections to the Pipehead and ConfigUp links on this board need to be connected to links coming from the first board. To do this these links need to be brought out to the connector P2. If jumpers are put onto the pins of JP2 then this will connect Pipehead (slot 0, link 1) to PatchLink1, ConfigUp (T2, link 1) to PatchLink0, and slot 0, link 0 to the IMS C004, link 28 which gives the desired connections out to P2.
System services
Since this board will be controlled from the subsystem services of the first IMS B008 the system services for all the TRAMs on this IMS B008 need to be connected to the Up system services. This is done by setting SW1:3 to on selecting the Up system services to be connected to the Down system services and slot 0, and setting SW1:4 to off selecting the Down system services to be connected to slots 1 to 9.
Link speeds
The link speeds will need to be the same as on the first board, 20 Mbits/s, set by SW1:5 to SW1:8 being set to off.

The second IMS B008 is shown configured in figure 21

Configuration of the second IMS B008 for the cube network Configuration
of the second IMS B008 for the cube network

Figure 21: Configuration of the second IMS B008 for the cube network
9.4.3 Completing the network

To complete the network a cable needs to be used to connect the links and system services between the two boards. The connections required in this cable are shown in table 15.

Finally the boards need to be installed in the PC, powered up, and the MMS or some other software run to configure the link switches on each board. The information required by the MMS software to do this is given below. Notice that the hardwires descriptions for the first and second IMS B008 are not the same as different links are connected by the jumpers JP1 and JP2.




Pin No. P2Pin No. P2Signals connected
Board 1 Board 2



1 1 GND and GND
5 5 GND and GND
12 12 GND and GND
27 27 GND and GND
33 20 notSubSystemReset and notUpReset
15 2 notSubSystemAnalyse and notUpAnalyse
34 21 notSubSystemError and notUpError
36 31 ConfigDownLinkIn and PatchLinkOut0
(ConfigUpLinkOut)
17 13 ConfigDownLinkOut and PatchLinkIn0
(ConfigUpLinkIn)
35 32 PipetailLinkIn and PatchLinkOut1
(PipeheadLinkOut)
16 14 PipetailLinkOut and PatchLinkIn1
(PipeheadLinkIn)
22 3 EdgeLinkIn0 and EdgeLinkOut0
3 22 EdgeLinkOut0 and EdgeLinkIn0
23 4 EdgeLinkIn1 and EdgeLinkOut1
4 23 EdgeLinkOut1 and EdgeLinkIn1
6 24 EdgeLinkIn2 and EdgeLinkOut2
24 6 EdgeLinkOut2 and EdgeLinkIn2




Table 15: Connections required in the cable to connect the two IMS B008 in example 3

Softwires information to connect up the eight TRAMs into a cube:

  SOFTWIRE  
  PIPE 0  
  SLOT 1, LINK 3 TO EDGE 0  
  SLOT 2, LINK 0 TO EDGE 1  
  SLOT 3, LINK 0 TO EDGE 2  
  SLOT 8, LINK 3 TO SLOT 1, LINK 0  
  PIPE 1  
  SLOT 1, LINK 3 TO EDGE 2  
  SLOT 2, LINK 3 TO EDGE 1  
  SLOT 3, LINK 0 TO EDGE 0  
  SLOT 3, LINK 3 TO SLOT 0, LINK 0  
  END

Hardwires information for the two IMS B008 used for the third example:

  DEF B008ONE  
  SIZES  
    T2 1  
    C4 1  
    SLOT 10  
    EDGE 10  
  END  
  T2CHAIN  
    T2 0, LINK 3 C4 0  
  END  
  HARDWIRE  
    SLOT 0,LINK 2 TO SLOT 1,LINK 1  
    SLOT 1,LINK 2 TO SLOT 2,LINK 1  
    SLOT 2,LINK 2 TO SLOT 3,LINK 1  
    SLOT 3,LINK 2 TO SLOT 4,LINK 1  
    SLOT 4,LINK 2 TO SLOT 5,LINK 1  
    SLOT 5,LINK 2 TO SLOT 6,LINK 1  
    SLOT 6,LINK 2 TO SLOT 7,LINK 1  
    SLOT 7,LINK 2 TO SLOT 8,LINK 1  
    SLOT 8,LINK 2 TO SLOT 9,LINK 1  
    C4 0,LINK 10 TO SLOT 0,LINK 3  
    C4 0,LINK  1 TO SLOT 1,LINK 0  
    C4 0,LINK 11 TO SLOT 1,LINK 3  
    C4 0,LINK  2 TO SLOT 2,LINK 0  
    C4 0,LINK 12 TO SLOT 2,LINK 3  
    C4 0,LINK  3 TO SLOT 3,LINK 0  
    C4 0,LINK 13 TO SLOT 3,LINK 3  
    C4 0,LINK  4 TO SLOT 4,LINK 0  
    C4 0,LINK 14 TO SLOT 4,LINK 3  
    C4 0,LINK  5 TO SLOT 5,LINK 0  
    C4 0,LINK 15 TO SLOT 5,LINK 3  
    C4 0,LINK  6 TO SLOT 6,LINK 0  
    C4 0,LINK 16 TO SLOT 6,LINK 3  
    C4 0,LINK  7 TO SLOT 7,LINK 0  
    C4 0,LINK 17 TO SLOT 7,LINK 3  
    C4 0,LINK  8 TO SLOT 8,LINK 0  
    C4 0,LINK 18 TO SLOT 8,LINK 3  
    C4 0,LINK  9 TO SLOT 9,LINK 0  
    C4 0,LINK 19 TO SLOT 9,LINK 3  
    C4 0,LINK 20 TO EDGE 0  
    C4 0,LINK 21 TO EDGE 1  
    C4 0,LINK 22 TO EDGE 2  
    C4 0,LINK 23 TO EDGE 3  
    C4 0,LINK 24 TO EDGE 4  
    C4 0,LINK 25 TO EDGE 5  
    C4 0,LINK 26 TO EDGE 6  
    C4 0,LINK 27 TO EDGE 7  
    -- Uncomment the next two lines if the  
    -- patch header wiring is used to  
    -- connect C004, link 28 to PatchLink0,  
    -- and C004, link 29 to PatchLink1.  
    -- C4 0,LINK 28 TO EDGE 8  
    -- C4 0,LINK 29 TO EDGE 9  
  END  
 
  DEF B008TWO  
  SIZES  
    T2 1  
    C4 1  
    SLOT 10  
    EDGE 10  
  END  
  T2CHAIN  
    T2 0, LINK 3 C4 0  
  END  
  HARDWIRE  
    SLOT 0,LINK 2 TO SLOT 1,LINK 1  
    SLOT 1,LINK 2 TO SLOT 2,LINK 1  
    SLOT 2,LINK 2 TO SLOT 3,LINK 1  
    SLOT 3,LINK 2 TO SLOT 4,LINK 1  
    SLOT 4,LINK 2 TO SLOT 5,LINK 1  
    SLOT 5,LINK 2 TO SLOT 6,LINK 1  
    SLOT 6,LINK 2 TO SLOT 7,LINK 1  
    SLOT 7,LINK 2 TO SLOT 8,LINK 1  
    SLOT 8,LINK 2 TO SLOT 9,LINK 1  
    -- Following connection made by JP2  
    C4 0,LINK 28 TO SLOT 0,LINK 0  
    C4 0,LINK 10 TO SLOT 0,LINK 3  
    C4 0,LINK  1 TO SLOT 1,LINK 0  
    C4 0,LINK 11 TO SLOT 1,LINK 3  
    C4 0,LINK  2 TO SLOT 2,LINK 0  
    C4 0,LINK 12 TO SLOT 2,LINK 3  
    C4 0,LINK  3 TO SLOT 3,LINK 0  
    C4 0,LINK 13 TO SLOT 3,LINK 3  
    C4 0,LINK  4 TO SLOT 4,LINK 0  
    C4 0,LINK 14 TO SLOT 4,LINK 3  
    C4 0,LINK  5 TO SLOT 5,LINK 0  
    C4 0,LINK 15 TO SLOT 5,LINK 3  
    C4 0,LINK  6 TO SLOT 6,LINK 0  
    C4 0,LINK 16 TO SLOT 6,LINK 3  
    C4 0,LINK  7 TO SLOT 7,LINK 0  
    C4 0,LINK 17 TO SLOT 7,LINK 3  
    C4 0,LINK  8 TO SLOT 8,LINK 0  
    C4 0,LINK 18 TO SLOT 8,LINK 3  
    C4 0,LINK  9 TO SLOT 9,LINK 0  
    C4 0,LINK 19 TO SLOT 9,LINK 3  
    C4 0,LINK 20 TO EDGE 0  
    C4 0,LINK 21 TO EDGE 1  
    C4 0,LINK 22 TO EDGE 2  
    C4 0,LINK 23 TO EDGE 3  
    C4 0,LINK 24 TO EDGE 4  
    C4 0,LINK 25 TO EDGE 5  
    C4 0,LINK 26 TO EDGE 6  
    C4 0,LINK 27 TO EDGE 7  
    -- Uncomment the next two lines if the  
    -- patch header wiring is used to  
    -- connect C004, link 28 to PatchLink0,  
    -- and C004, link 29 to PatchLink1.  
    -- C4 0,LINK 28 TO EDGE 8  
    -- C4 0, LINK 29 TO EDGE 9  
  END  
 
  PIPE B0080NE, B008TWO  
  END

10 Connectors

There are four connectors on the IMS B008, not counting the TRAM slot connectors. These are P4 the PC bus edge connector, P3 the smaller AT bus extension edge connector, P1 the link patch header connector, and P2 the 37 way D-type connector at the back of the board. Appendix D gives the pinouts of these connectors.

The two edge connectors are used to connect the IMS B008 to either a PC or PC/AT bus. Since the connections for some of the signals are on the AT bus extension connector plugging the IMS B008 into a PC bus slot where no connection is made to the AT edge connector results in a reduction in the functionality of the board (see section 8.3). Some PCs have both types of slot and this needs to be considered when installing and configuring the board (see sections A.2 and 8).

A wired link patch header is only plugged into connector P1 if the link connections made with JP1 or JP2 are not the ones desired. If this patch header is plugged in then all the jumpers in positions JP1, JP2 and JP3 should be removed as the connections made by the patch header could conflict with those made by the jumpers. Details of configuring the board, the jumpers, and the patch header are given in section 8, and appendices E and D.1.

Connections to the 37 way D-type, P2, to connect links and system services to other boards can be made either by making up a cable to go between the IMS B008 and the other boards, or by obtaining an INMOS ”breakout board” (IMS CA11) and using standard INMOS link and system services cables. The Breakout Board converts the pinout of the 37 way D-type to the five pin single-inline connector pins used for the standard INMOS link and system services cables. INMOS provides standard cable sets which are detailed in [12] 372-373. When connecting to P2 observe the warning in section 1 about connecting a ground cable between boards to be interconnected before connecting any link or system services.

10.1 Cables

When making up your own cables to go from P2 to other boards the points in appendix B need to be observed.

If an INMOS breakout board is used then standard INMOS cables can be used with it to connect the IMS B008 to most other INMOS motherboards. Link cables have 5-pin single-in-line connectors at each end with a key pin. Services cables have 5-pin single-in-line connectors at each end with two key pins. The keyed pins prevent the connectors being inserted incorrectly. Using this system it is quick and easy to connect links and services signals from board to board and system to system. These cables must not be used between equipment on different mains circuits and ideally, to ensure noise-free operation, should only be used within one system operating from the same 5V power supply (see also section B).

A Unpacking, handling and installation

A.1 Unpacking and handling the IMS B008

The IMS B008 contains MOS devices and in common with all boards of this type some handling precautions need to be observed.

First only handle the IMS B008 by its edges or the back panel bracket, and avoid touching the gold plated edge connector fingers.

To ensure that no damage occurs to the MOS devices on the board static discharges onto the board must be avoided.

The IMS B008 is shipped in an anti-static bag which protects the board during shipping and should not be opened until the board is going to be installed into a PC.

Static discharges will only occur between objects that are at a different electrical potential. A good procedure to employ is to ensure that yourself, the board to be installed in the PC, the PC itself and any TRAMs that are to be installed on the IMS B008 are at the same electrical potential. This can be achieved by touching an exposed metal surface of the PCs case while at the same time holding the anti-static bag containing the IMS B008. Then remove the IMS B008 from the bag and place it on top of the bag.

Next while touching one corner of the bag, touch the anti-static box of a TRAM to be installed and open the box. Transfer the TRAM from the box and place on the anti-static bag with the IMS B008 before orientating the TRAM and plugging it into the IMS B008 as described in section A.3. Repeat for each TRAM to be installed on the IMS B008.

Next configure the IMS B008 using the option switches, jumpers, and a patch header plugged into P1 as required, each time touching the anti-static bag under the IMS B008 before touching any part of the board. The configuration procedure is described in section 8.

Finally while touching the corner of the bag touch the metal case of the PC, before picking up the IMS B008 and installing it into a slot in the PC as described in section A.2.

Save the packaging that comes with the IMS B008. If the board needs to be removed from the PC again touch the metal case of the PC before touching the IMS B008 or any other board in the PC. Touch both the PC and the antistatic bag at the same time before removing the board from the PC. Then put the IMS B008 inside its anti-static bag to protect it. If the IMS B008 is to be shipped to another site then the TRAMs should be removed from it and shipped in there own anti-static boxes, using the reverse procedure to the one used when installing the TRAMs on the IMS B008, touch the bag and the box before transferring the TRAM.

A.2 Installing the IMS B008 in a PC bus card slot

Before attempting to install an IMS B008 in a PC bus based computer make sure that you have read and understood the sections on handling, configuring, and installing TRAMs on the IMS B008; sections A, 8, and A.3. Next you should read the manual for the computer to find out how to remove the cover of the computer. There may also be a section in the manual for the computer on installing adapter cards, this should be read in conjunction with the following instructions when installing the IMS B008.

The installation should be carried out as follows:

  1. First ensure that the power to the computer is switched OFF
  2. Disconnect any cables connected to the computer first if the computer is to be unplugged from the mains supply (or any other system of earthing).
  3. Remove the cover(s) of the computer to expose the PC bus slots following the instructions in the manual for the computer.
  4. Choose the bus slot into which the IMS B008 is to be installed and remove the blank back panel from that slot, retaining the screw.
  5. Observing the anti-static precautions in section A remove the IMS B008 from its packing and configure the board, installing any TRAMs required as per the instructions in section A.3.
  6. Slide the IMS B008 into the chosen slot of the PC bus, making sure that the other cards in the adjacent slots do not foul the backpanel of the IMS B008; it may be necessary to loosen the screws securing the backpanels of the adjacent cards to achieve this. Ensure that the tab at the bottom of the backpanel correctly locates into the metalwork of the computer.
  7. Check that the edge connectors on the IMS B008 are aligned with the connector on the system board of the computer.
  8. Pressing only on the top edge of the IMS B008 directly above the edge connectors push the board into the connectors on the system board. If the board will not push home easily make sure that it is correctly aligned. Excessive force is not necessary.
  9. Secure the backpanel of the IMS B008 using the screw retained when the blank backpanel was removed and retighten the screws for the adjacent cards if these were loosened.
  10. Refit the cover(s) of the computer.
  11. Reconnect the mains supply lead (and any other eathing arrangements if these were disconnected).
  12. Attach any other cables to the computer. Before attaching any cables to the IMS B008 observe the precautions set out in the installation warning, section 1, and in section B.
  13. Turn on the power to the computer.

After installing the IMS B008 you may need to install software that interfaces to it. Refer to the manuals for this software for details of these procedures.

If it is necessary to remove the IMS B008 from the computer then the above procedure should be followed again, except removing the IMS B008 and re-fitting the blank back panel. The IMS B008 should be replaced into it’s anti-static bag to protect it.

A.3 Installing TRAMS on the IMS B008

Although TRAMs can be plugged and un-plugged from the IMS B008 many times without contact wear, great care should be taken when fitting and removing TRAMS.

When fitting a TRAM to the IMS B008, inspect the TRAM for bent pins, then make sure that it is the correct way round (match up the yellow triangle on the TRAM with the yellow triangle on the IMS B008), then line up the pins with their sockets. When you are sure that the pins are aligned, gently push the TRAM home. Excessive force is not necessary and probably means that the pins are misaligned.

If vibration resistance is needed then you will need to bolt the TRAM in place using the M2.5 nylon bolts provided with the IMS B008

TRAMs must be kept as flat as possible when they are removed from the IMS B008. Gently ease up one end of the TRAM a little, then ease up the other end by the same amount. Continue this until the TRAM comes free from its socket.

If you are fitting a TRAM in slot 0 to run a transputer development system it is likely that you need to fit the subsystem pins. Fitting a TRAM with subsystem pins is covered in section A.4.

A.4 Installation of a TRAM with subsystem pins

Some TRAMs have a ”subsystem” port (see section 6). The signals for the subsystem port come through three extra socket pins (other than the standard TRAM pins) on the underside of the TRAM. When fitting a TRAM which uses its subsystem port to a motherboard such as the IMS B008, you must install the special pin-strip in the TRAM’s subsystem pin sockets. This procedure is shown in figure 22. Some of these pin-strips are provided with the IMS B008. The TRAM is then plugged into the IMS B008 in the same way as described above in section A.3, taking care to align the subsystem pins with their respective holes in the IMS B008. These subsystem socket pins on the IMS B008 are near pins 1, 2, and 3 of slot 0 and are labelled on the board.

Subsystem pins installation Subsystem pins installation

Figure 22: Subsystem pins installation

Note that subsystem pins can only be fitted to a TRAM which has subsystem capability and which is plugged into slot 0.

B Electrical characteristics

B.1 Power supply requirements

The IMS B008 requires only a +5 Vdc supply which must be between 4.75V and 5.25V with less than 50mV pk-pk noise and ripple between do and 10MHz. The IMS B008 does not incorporate protection against incorrect power supplies. Major damage will result from connecting a supply to the board which is outside its power supply range.

B.2 Local off board connections

The INMOS serial links provided on the IMS B008 connector P2 may be used to communicate directly with other boards in the same electrical environment, i.e. having the same DC supply, ground reference, and within a low electromagnetic noise area. However, these link connections must be made with transmission lines with a characteristic impedance of around 100 Ohm.

The following are examples of valid connection methods:

  1. A printed circuit trace of about 0.008” width over a ground plane on a multi-layer board.
  2. Twisted pair ribbon cable.
  3. INMOS link cables.
  4. Twisted pair wire-wrap wire.

Single wires, PCB traces without ground planes and coaxial cable should not be used. It is recommended that link connections are not longer than 1 m. Although longer connections will function, reduced reliability will be experienced. For more information on connecting links refer to [2].

Services connections are not subject to the same conditions and can be carried on simple wires.

B.3 Non-Local Connections

Links may be used to communicate between TRAMs and transputers (and other boards containing transputers, even boards not manufactured by INMOS) wherever their location. However, when using links to communicate between TRAMs or transputers which are not powered from the same DC supply some special considerations need to be addressed:

  1. Electrical noise may corrupt link data when ordinary INMOS link cables are used over long distances and between equipment which is powered from different supplies.
  2. Since the INMOS cables and boards use single-ended, common ground signaling, earth loops between equipment can lead to signal corruption (not necessarily on the link signals but perhaps on the services signals causing spurious system resets).
  3. The common ground in the cables can contravene electrical safety regulations which prevent earth signals being connected between equipment more than a certain distance apart. These regulations prevent, among other things, fire damage during electrical storms.

Please also note the comments in the installation warning, section 1.

INMOS suggests that when such inter-box connections are required that differential, double-ended balanced connections are used. To ensure that these work correctly particular attention needs to be paid to the skew, as defined in the INMOS datasheets, introduced by the drivers/receivers used on the link. These may be constructed from ordinary 26LS31 and 26LS32 driver/receiver devices for 10Mbits/s link operation and from ECL drivers/receivers for 20Mbits/s links. New driver/receiver devices designed for high-speed disk drives allow non-ECL 20Mbits/s operation. Signals should be receiver terminated to a floating ground and not to the ground at the receiving end. The services signals must be treated in a similar way although the timing constraints are not critical. Background information on this subject is to be found in [13], [2] and [14].

INMOS is able to provide a TRAM based solution to this problem through the IMS B415 series of products. Contact your local INMOS representative for further details.

C Physical characteristics

C.1 Mechanical details

The IMS B008 is a PC/AT format board and is nominally 350mm by 125mm by 22mm overall. The PCB thickness is nominally 1.6 mm. Figure 23 shows the board dimensions. The board includes a metal PC I/O bracket through which the 37 way D-type P2 passes. This bracket serves two functions, to ensure the board is held rigid at the edge connector end and maintain the integrity of the shielding of the PC. To enable the bracket to perform these functions it must be securely fixed to the backpanel metalwork of the PC by a screw passing through the slot on the right hand side of the bracket, as viewed with the board towards you in the PC (see section A.2).

Mechanical drawing of the IMS B008 Mechanical drawing of the
IMS B008

Figure 23: Mechanical drawing of the IMS B008

C.2 Weight

The IMS B008 weighs 187g without any TRAMs or a patch header fitted.

C.3 Thermal information

The IMS B008 with no TRAMs installed will dissipate not more than 3W.

When installing the IMS B008 in a PC consideration needs to be given to cooling airflow not only across the IMS B008 itself but also any TRAMs fitted to it. It is the responsibility of the user to ensure that the operating environment limits for the IMS B008 listed in section C.4 are not exceeded. This will not occur as long as there are not a large number of high dissipation boards also present in the PC.

To ensure good airflow in the PC the blank backpanels should be present in any slots that are empty.

C.4 Operating and storage environments

The IMS B008 is designed to be operated and stored in the environments set out in table 16.




Parameter Operating Storage



Ambient air temperature0 to +40C -55 to +85C
Relative Humidity 95% non condensing95% non condensing
Thermal Shock < 0.08C/s < 0.15C/s
Altitude -300 to +3000m -300 to +16000m




Table 16: Environmental Details

D Connector pin assignments

D.1 P1, the patch header socket

The pin numbering for this connector is same as for a standard 24 pin IC. The pin assignments are shown in figure 24.

P1, the patch header socket pin assignments P1, the patch header socket
pin assignments

Figure 24: P1, the patch header socket pin assignments

D.2 P2, the 37 way D-type connector

Pin assignments for P2 are given in table 17.

D.3 P3, and P4 the PC bus edge connectors

The pin numbering used for P3 and P4 the PC bus edge connectors is the same as used in [6] and [5] and the same signal names are also used. Note that a prefix of ”-” on a signal in these tables indicates a active low signal, in other words the signal is asserted when it is low. Pin numbers A1 to A31 on P4 and C1 to C18 on P3 are on the component side of the board. It should also be noted that the IMS B008 is only connected to a subset of the signals present on P3 and P4.



Pin No.Signal name


1 GND
2 notUpAnalyse
3 EdgeLinkOut0
4 EdgeLinkOut1
5 GND
6 EdgeLinkIn2
7 EdgeLinkIn3
8 EdgeLinkIn4
9 EdgeLinkOut5
10 EdgeLinkOut6
11 EdgeLinkOut7
12 GND
13 PatchLinkIn0
14 PatchLinkIn1
15 notSubSystemAnalyse
16 PipetailLinkOut
17 ConfigDownLinkOut
18 notDownReset
19 notDownError
20 notUpReset
21 notUpError
22 EdgeLinkIn0
23 EdgeLinkIn1
24 EdgeLinkOut2
25 EdgeLinkOut3
26 EdgeLinkOut4
27 GND
28 EdgeLinkIn5
29 EdgeLinkIn6
30 EdgeLinkIn7
31 PatchLinkOut0
32 PatchLinkOut1
33 notSubSystemReset
34 notSubSystemError
35 PipetailLinkIn
36 ConfigDownLinkIn
37 notDownAnalyse



Table 17: P2, the 37 way D-type, pin assignments




Pin No.Signal name C sideSignal name D side



1 SBHE -MEM CS16
2 LA23 -I/O CS16
3 LA22 IRQ10
4 LA21 IRQ11
5 LA20 IRQ12
6 LA19 IRQ13
7 LA18 IRQ14
8 LA17 -DACK0
9 -MEMR DRQ0
10 -MEMW -DACK5
11 SD08 DRQ5
12 SD09 -DACK6
13 SD10 DRQ6
14 SD11 -DACK7
15 SD12 DRQ7
16 SD13 +5 Vdc
17 SD14 -MASTER
18 SD15 GND




Table 18: P3 pin assignments




Pin No.Signal name A sideSignal name B side



1 -I/O CH CK GND
2 SD7 RESET DRV
3 SD6 +5 Vdc
4 SD5 IRQ9
5 SD4 -5 Vdc
6 SD3 DRQ2
7 SD2 -12 Vdc
8 SD1 0WS
9 SD0 +12 Vdc
10 -I/O CH RDY GND
11 AEN -SMEMW
12 SA19 -SMEMR
13 SA18 -IOW
14 SA17 -IOR
15 SA16 -DACK3
16 SA15 DRQ3
17 SA14 -DACK1
18 SA13 DRQ1
19 SA12 -REFRESH
20 SA11 CLK
21 SA10 IRQ7
22 SA9 IRQ6
23 SA8 IRQ5
24 SA7 IRQ4
25 SA6 IRQ3
26 SA5 -DACK2
27 SA4 T/C
28 SA3 BALE
29 SA2 +5 Vdc
30 SA1 OSC
31 SA0 GND




Table 19: P4 pin assignments

E Jumpers

There are two 12 pin (JP1 and JP2) and one 4 pin (JP3) jumper pin arrays on the IMS B008. Jumper sockets which connect two pins together should be installed in all positions on a pin array if a jumper is to be used. This requires six jumper sockets to be used on jumper pin arrays JP1 and JP2, and two on JP3. Fitting of jumper sockets onto the pin arrays is shown in figure 25. Jumpers must be fitted with their long side parallel to the backpanel of the IMS B008.

Diagram showing the fitting of jumpers to the jumper pin arrays, jumpers
shown fitted to JP1 and JP3 Diagram showing the fitting of jumpers to
the jumper pin arrays, jumpers shown fitted to JP1 and JP3

Figure 25: Diagram showing the fitting of jumpers to the jumper pin arrays, jumpers shown fitted to JP1 and JP3

Note that the jumpers should be fitted with the small square holes in the plastic down towards the board. Use of jumpers JP1 and JP2 are mutually exclusive and the use of any of the jumpers is mutually exclusive with the use of a patch header plugged into P1.

The connections made by the jumpers are shown in table 20 and were shown diagrammatically in section 8.5, figures 14 and 15.



Jumper pin arrayConnections made when jumper sockets fitted


JP1 C012Link to slot 0, link 0
slot 0, link 1 to IMS T222, link 1
IMS T222, link 0 to IMS C004, link 28


JP2 Pipehead to PatchLink1
ConfigUp to PatchLink0
slot 0, link 0 to IMS C004, link 28


JP3 slot 3, link 2 to slot 4, link 1



Table 20: Connections made by the jumper pin arrays

F Switches

There are eight switches on the IMS B008 which select options for the PC interface, system services, and the link speeds. The functions of each of these switches is shown in tables 21 and 26 and is covered in greater detail in section 8.

Note a switch is on when the slider is pushed towards the top of the board, away from the edge connector, as shown in figure 26.

Detail of switch on the IMS B008 showing the ON and OFF positions. Detail of switch on the IMS B008 showing the ON and OFF positions.

Figure 26: Detail of switch on the IMS B008 showing the ON and OFF positions.



Switch No.Function


SW1:1 PC bus interface enable and board base address selection
SW1:2 PC bus interface enable and board base address selection
SW1:3 Slot 0 and Down system services selection
SW1:4 Slots 1 to 9 system services selections
SW1:5 Link speed selections
SW1:6 Link speed selections
SW1:7 Link speed selections
SW1:8 Link speed selections



Table 21: Switch functions when ON and OFF




SW1:1SW1:2Board base address



ON ON PC bus interface disabled
ON OFF #150
OFF ON #200
OFF OFF #300




Table 22: Board base address and PC bus interface disable selections



SW1:3TRAM slot 0 and DOWN system services


ON From Up system services
OFF From Host system services



Table 23: Selections for slot 0 and Down system services



SW1:4 TRAM slots 1 - 9 system services


ON From TRAM in slot 0 Subsystem services
OFF From Down system services



Table 24: System services selections for slots 1 to 9






SW1:5SW1:6Link 0 speedLinks 1 - 3 speed





ON ON 10 Mbits/s 10 Mbits/s
OFF ON 10 Mbits/s 20 Mbits/s a
ON OFF 20 Mbits/s 10 Mbits/s b
OFF OFF 20 Mbits/s 20 Mbits/s





Table 25: TRAM link speed selections








SW1:6SW1:7SW1:8C012 and T2 T2
C004 Link0 Link123







ON ON ON 10 Mbits/s10 Mbits/s10 Mbits/s
ON ON OFF 10 Mbits/s 5 Mbits/s 10 Mbits/s
ON OFF ON 10 Mbits/s10 Mbits/s10 Mbits/s
ON OFF OFF 10 Mbits/s20 Mbits/s10 Mbits/s
OFF ON ON 20 Mbits/s10 Mbits/s 5 Mbits/s a
OFF ON OFF 20 Mbits/s 5 Mbits/s 5 Mbits/s a
OFF OFF ON 20 Mbits/s10 Mbits/s20 Mbits/s
OFF OFF OFF 20 Mbits/s20 Mbits/s20 Mbits/s







Table 26: IMS C012, IMS C004, and IMS T222 link speed selections

G MMS hardwire file

  -- B008 hardwire description  
  DEF B008  
    SIZES  
      T2 1  
      C4 1  
      SLOT 10  
      EDGE 10  
    END  
    T2CHAIN  
      T2 0, LINK 3 C4 0  
    END  
    HARDWIRE  
      SLOT 0,LINK 2 TO SLOT 1,LINK 1  
      SLOT 1,LINK 2 TO SLOT 2,LINK 1  
      SLOT 2,LINK 2 TO SLOT 3,LINK 1  
      SLOT 3,LINK 2 TO SLOT 4,LINK 1  
      SLOT 4,LINK 2 TO SLOT 5,LINK 1  
      SLOT 5,LINK 2 TO SLOT 6,LINK 1  
      SLOT 6,LINK 2 TO SLOT 7,LINK 1  
      SLOT 7,LINK 2 TO SLOT 8,LINK 1  
      SLOT 8,LINK 2 TO SLOT 9,LINK 1  
      C4 0,LINK 10 TO SLOT 0,LINK 3  
      C4 0,LINK  1 TO SLOT 1,LINK 0  
      C4 0,LINK 11 TO SLOT 1,LINK 3  
      C4 0,LINK  2 TO SLOT 2,LINK 0  
      C4 0,LINK 12 TO SLOT 2,LINK 3  
      C4 0,LINK  3 TO SLOT 3,LINK 0  
      C4 0,LINK 13 TO SLOT 3,LINK 3  
      C4 0,LINK  4 TO SLOT 4,LINK 0  
      C4 0,LINK 14 TO SLOT 4,LINK 3  
      C4 0,LINK  5 TO SLOT 5,LINK 0  
      C4 0,LINK 15 TO SLOT 5,LINK 3  
      C4 0,LINK  6 TO SLOT 6,LINK 0  
      C4 0,LINK 16 TO SLOT 6,LINK 3  
      C4 0,LINK  7 TO SLOT 7,LINK 0  
      C4 0,LINK 17 TO SLOT 7,LINK 3  
      C4 0,LINK  8 TO SLOT 8,LINK 0  
      C4 0,LINK 18 TO SLOT 8,LINK 3  
      C4 0,LINK  9 TO SLOT 9,LINK 0  
      C4 0,LINK 19 TO SLOT 9,LINK 3  
      C4 0,LINK 20 TO EDGE 0  
      C4 0,LINK 21 TO EDGE 1  
      C4 0,LINK 22 TO EDGE 2  
      C4 0,LINK 23 TO EDGE 3  
      C4 0,LINK 24 TO EDGE 4  
      C4 0,LINK 25 TO EDGE 5  
      C4 0,LINK 26 TO EDGE 6  
      C4 0,LINK 27 TO EDGE 7  
      -- Uncomment the next two lines if the  
      -- patch header wiring is used to  
      -- connect C004, link 28 to PatchLink0,  
      -- and C004, link 29 to PatchLink1.  
      -- C4 0,LINK 28 TO EDGE 8  
      -- C4 0,LINK 29 TO EDGE 9  
    END  
  PIPE B008 END

H IMS C004 configuration messages



Configuration MsgFunction


[0] [input] [output] Connects input to output
[1] [link1] [link2] Connects link1 to link2
[2] [output] Enquires which input the output is connected to.
[3] Must be sent at the end of every configuration
sequence.
[4] Resets the device.
[5] [output] Output output is disconnected.
[6] [link1] [link2] Disconnects the outputs link1 and link2.



Table 27: IMS C004 Programming Sequences

I Memory Map



Addresses Register


Board base address + #00Link adapter input data register
Board base address + #01Link adapter output data register
Board base address + #02Link adapter input status register
Board base address + #03Link adapter output status register
Board base address + #10Reset/Error register
Board base address + #11Analyse register
Board base address + #12DMA request register
Board base address + #13Interrupt enable register
Board base address + #14DMA and interrupt channel select register



Table 28: IMS B008 memory map

J IMS B008 old/new version compatibility

The current version of the IMS B008 is designed to be upwards compatible with the older versions of the IMS B0086. All applications that ran on the older version IMS B008 should run on the new version IMS B008 without modification. Software that interfaces directly to the IMS B008 will need to be modified to set up the DMA and interrupt channel select register.

Customers who have patch headers set up for use on an older version IMS B008 can use these to configure the link wiring options on the new version IMS B008 by removing the jumpers from JP1, JP2, and JP3 and fitting the patch header in P1 (see section 8).

References

[1]   INMOS, The Transputer Databook, second edition INMOS, 1989.

[2]   Trevor Watson and Michel Rygol, The Transputer Applications Notebook Systems and Performance (pp 30-51) INMOS, 1989.

[3]   Paul Walker, The Transputer Applications Notebook- Systems and Performance (pp 114-130)
INMOS, 1989.

[4]   Trevor Watson, The Transputer Applications Notebook - Systems and Performance (pp 92-113)
INMOS, 1989.

[5]   International Business Machines Corporation, Technical Reference Personal Computer AT
International Business Machines Corporation, 1984.

[6]   International Business Machines Corporation, Technical Reference Personal Computer XT
International Business Machines Corporation, 1983.

[7]   INMOS, The Transputer Databook, second edition (pp 529-550 IMS C012 engineering data) INMOS, 1989.

[8]   INMOS, The Transputer Databook, second edition (pp 479-502 IMS C004 engineering data) INMOS, 1989.

[9]   INMOS, The Transputer Databook, second edition (pp 399-452 IMS T222 engineering data) INMOS, 1989.

[10]   Intel Cooperation, 8259A Data Sheet, in Microprocessor and Peripheral Handbook
Intel Corporation, 1983

[11]   Intel Cooperation, 8237A Data Sheet, in Microprocessor and Peripheral Handbook
Intel Corporation, 1983

[12]   INMOS, The transputer Development and IQ Systems Databook INMOS, 1989

[13]   Harold S. Stone, Microcomputer Interfacing Addison-Wesley, 1982.

[14]   Willam R. Blood, Jr., MECL Systems Design Handbook Motorola Inc., 1983.